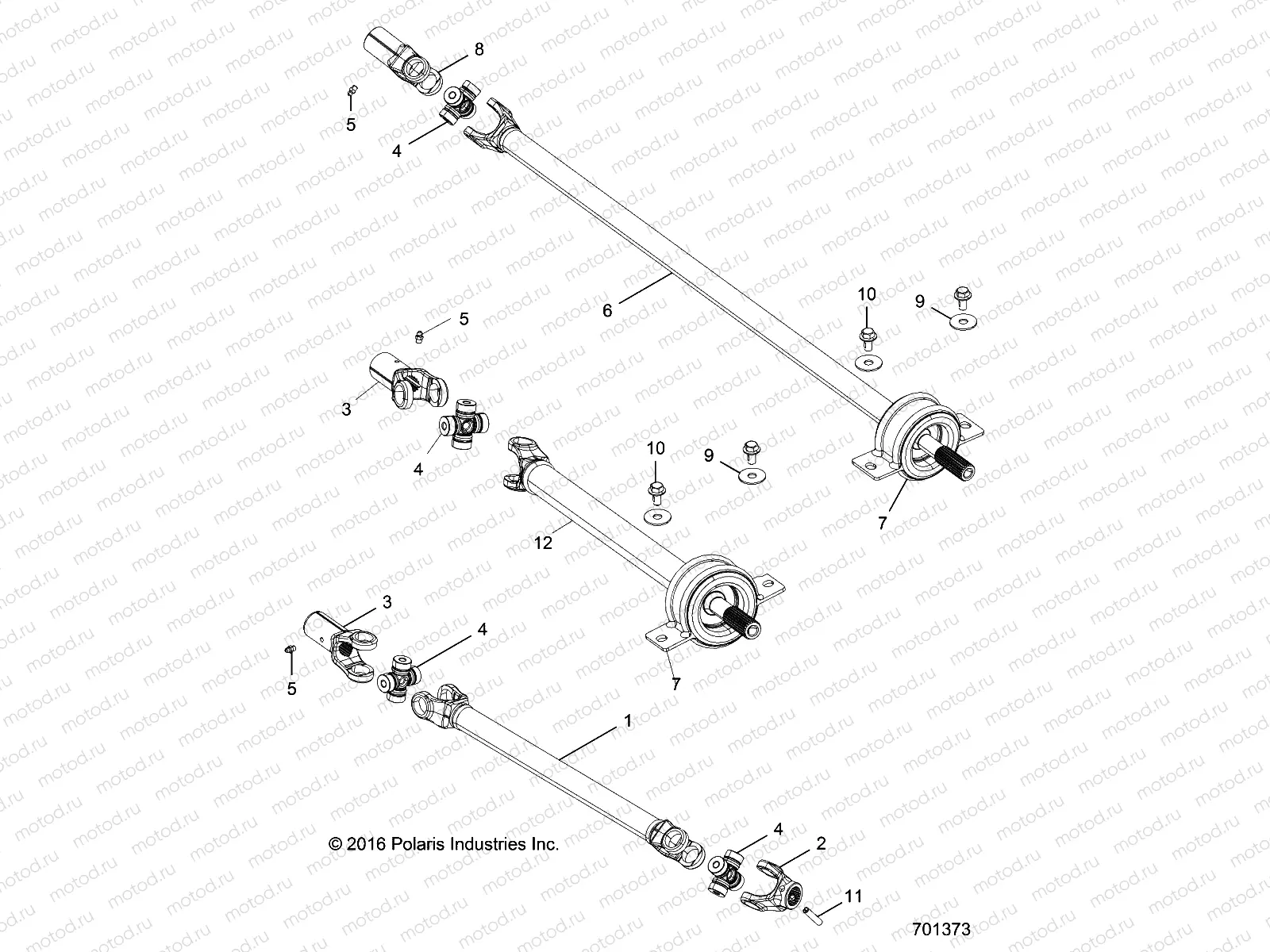
DRIVE TRAIN | DRIVE TRAIN, FRONT PROP SHAFT - R17RHE99AU (701373)

DRIVE TRAIN | DRIVE TRAIN, FRONT PROP SHAFT - R17RHE99AU (701373)
1
1334472
ASM-PROPSHAFT FRONT
Цена по
запросу
1
1334474
ASM-PROPSHAFT FRONT
Цена по
запросу
2
2203704
FITTING-YOKE(PO10-2LJC)
Цена по
запросу
3
2206619
YOKE-SLIP
Цена по
запросу
4
2203703
KIT-U-JOINT(PO10WXJZC)
Цена по
запросу
5
7080424
FITTING LUBRICATION
Цена по
запросу
6
1333918
ASM-PROPSHAFT REAR
Цена по
запросу
6
1333643
ASM-PROPSHAFT REAR
Цена по
запросу
7
3515016
ASM-BEARING FLEX
Цена по
запросу
8
2206617
YOKE-SLIP
Цена по
запросу
9
7555852
WASHER FLAT
Цена по
запросу
10
7518460
BOLT-M10X1.5X20 HXFLG W/PATCH
Цена по
запросу
11
7661913
PIN SPRING
Цена по
запросу
12
1333669
ASM-PROPSHAFT MID
Цена по
запросу
12
1333927
ASM-PROPSHAFT MID
Цена по
запросу

Узлы для