ENGINE | ENGINE, THROTTLE BODY and FUEL RAIL - R17RME57F1/S57C1/F1/CK/E1/EK/T57C1/E1/A57F1 (49RGRTHROTTLEBODY15570)

ENGINE | ENGINE, THROTTLE BODY and FUEL RAIL - R17RME57F1/S57C1/F1/CK/E1/EK/T57C1/E1/A57F1 (49RGRTHROTTLEBODY15570)
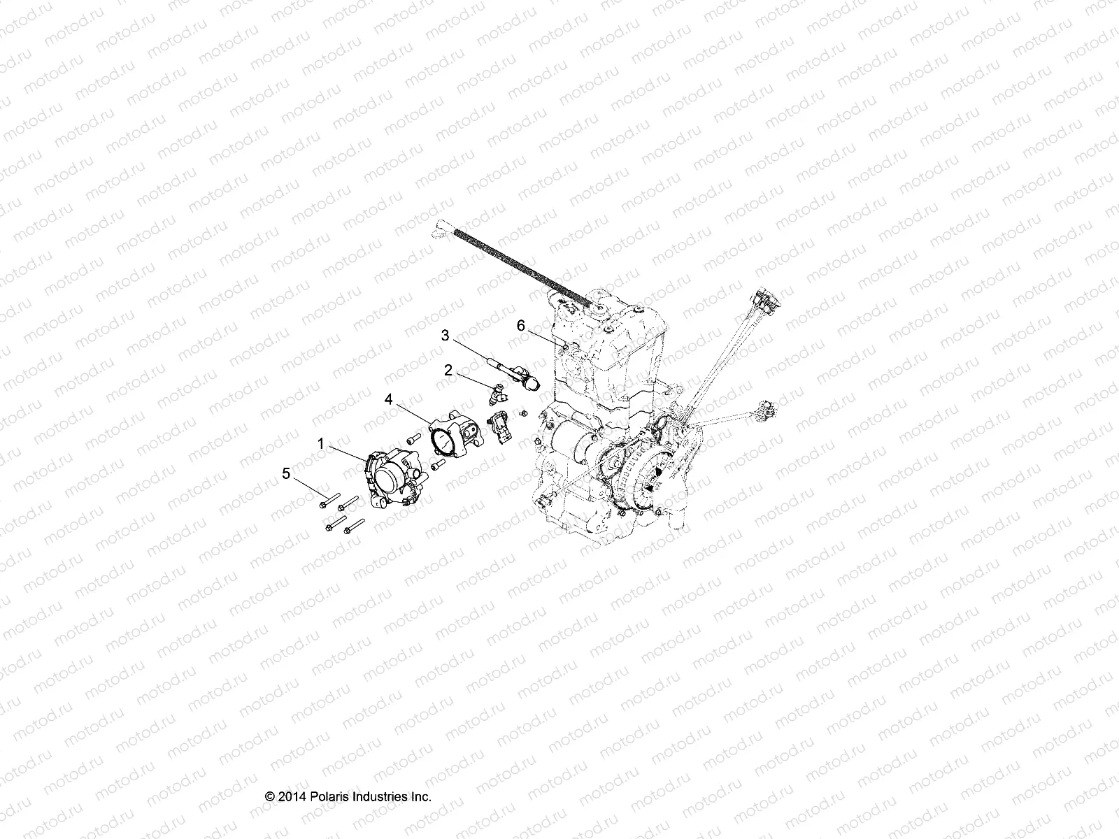
1
1204455
THROTTLE-ETC 46MM
Цена по
запросу
2
2521068
INJ-FUEL EV14COMPACT 200G
Цена по
запросу
3
2521403
RAIL-FUEL 1CYL(4-BAR_SCHDRLESS
Цена по
запросу
4
5415525
ADAPTER-THROTTLE BODY ETC
Цена по
запросу
4
7519859
SCR-SH-M8X1.25X25 8.8 ZPC
Цена по
запросу
5
7517932
SCR-M6X1.0X50.0 HX/FL-YD
Цена по
запросу
6
7518576
SCR-M6X20 HXFLG 0600214
Цена по
запросу

Узлы для