ELECTRICAL | ELECTRICAL, DASH CONTROLS - R17RME57F1/S57C1/F1/CK/E1/EK/T57C1/E1/A57F1 (701654)

ELECTRICAL | ELECTRICAL, DASH CONTROLS - R17RME57F1/S57C1/F1/CK/E1/EK/T57C1/E1/A57F1 (701654)
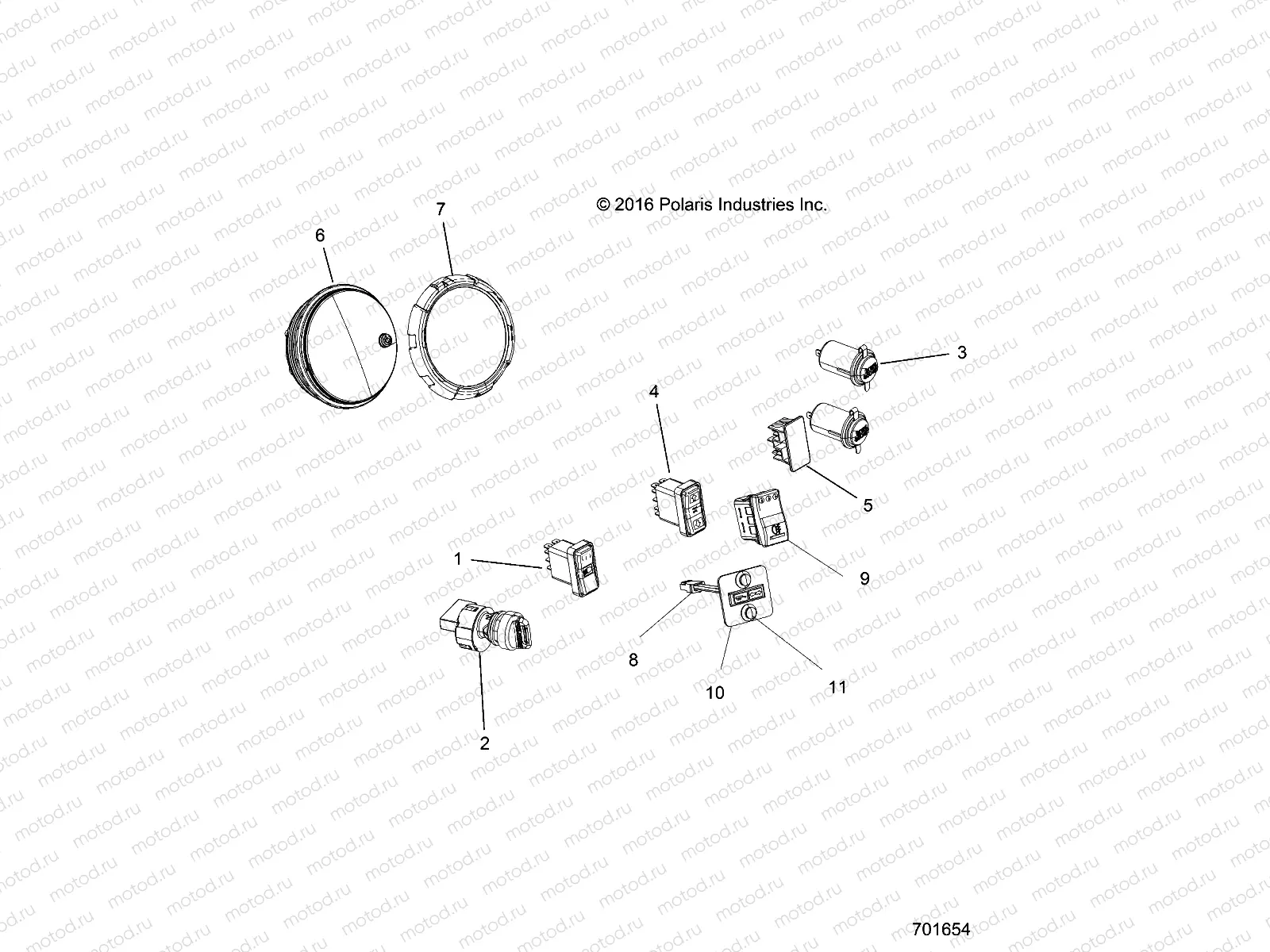
1
4015820
SWITCH-HAZARD IP67 FRONT
Цена по
запросу
2
4012166
SWITCH-KEY 4 POS ATV MT SLV
Цена по
запросу
3
4012393
RECEPTACLE-POD MNT 12 VOLT
Цена по
запросу
3
4012393
RECEPTACLE-POD MNT 12 VOLT
Цена по
запросу
4
4015553
SWITCH-DRIVEMODE IP67 FRONT
Цена по
запросу
5
5434192
PLUG-HOLE CARLING ROCKER SWTCH
Цена по
запросу
6
5412138
MOUNT-RUBBER INSTR. CLUSTER
Цена по
запросу
6
3280858
ASM-CLUSTER CPIA3 SXS BLU CHL6
Цена по
запросу
7
5438945
BEZEL-INSTRUMENT CLUSTER
Цена по
запросу
8
4014050
INDICATOR-TURN TRAILER TRACTOR
Цена по
запросу
9
4016638
SWITCH-FOG LIGHT REAR [S57F1]
Цена по
запросу
10
5262335-458
BRKT-INDICATOR MOUNT BLK
Цена по
запросу
11
7661855
RIVET-TUFLOK .315-.325X.787 (5
Цена по
запросу

Узлы для