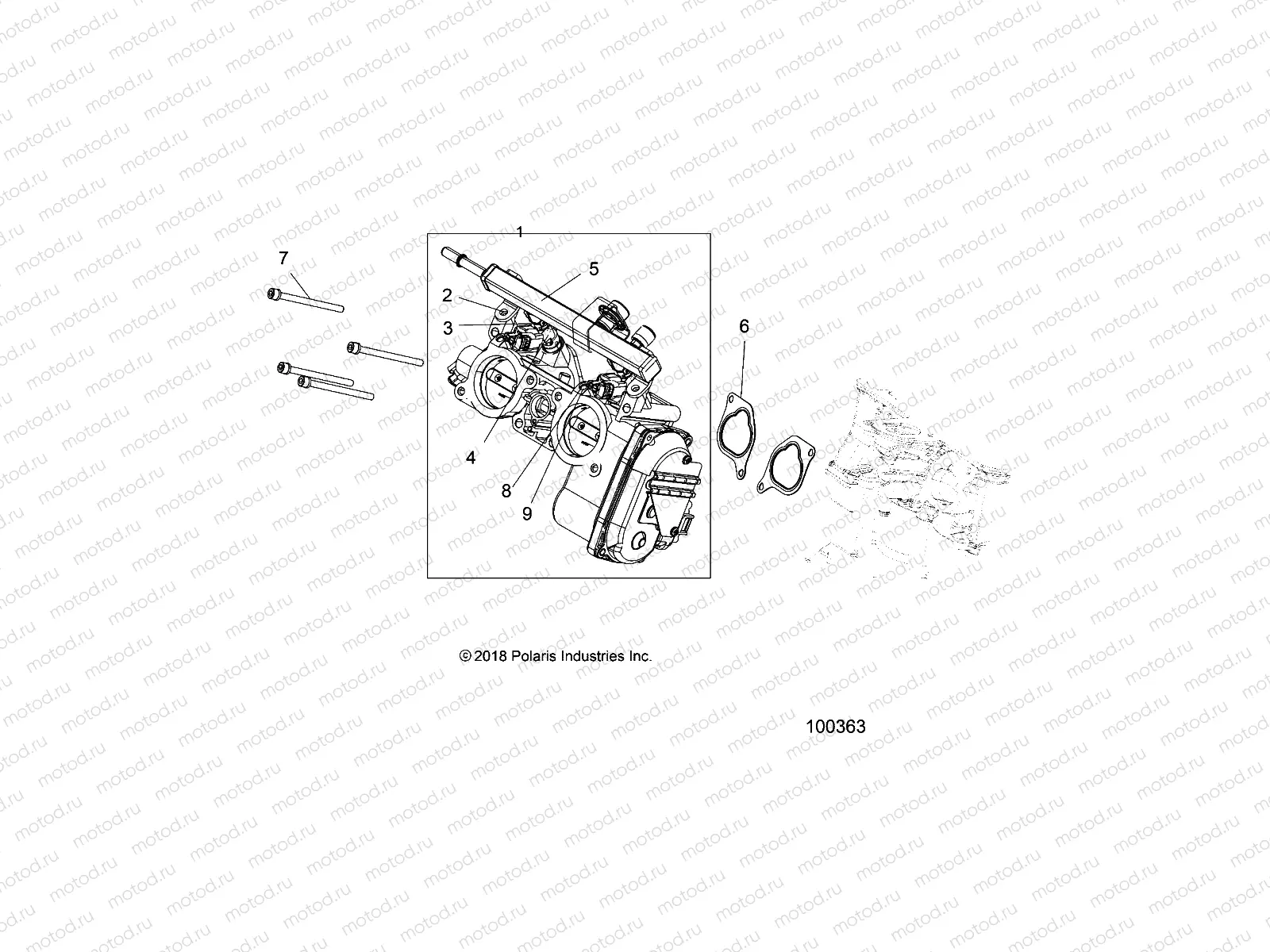
ENGINE | ENGINE, THROTTLE BODY - A16SXS95CK/CG/T95C2 (100363)

ENGINE | ENGINE, THROTTLE BODY - A16SXS95CK/CG/T95C2 (100363)
1
2208005
K-THROTTLE BODY Q ETC
Цена по
запросу
2
3131716
BOLT-FUEL RAIL
Цена по
запросу
3
3131725
CLIP-INJECTOR
Цена по
запросу
4
1203568
INJECTOR-180G/MIN SINGLE CONE
Цена по
запросу
5
3131757
ASM-FUEL RAIL
Цена по
запросу
6
5814296
GASKET-ITB
Цена по
запросу
7
5137620
SCR-SHSEMS-M6X1.0X80 8.8 ZOD
Цена по
запросу
8
3131372
Rondelle
Цена по
запросу
9
3130522
O-Ring
Цена по
запросу

Узлы для