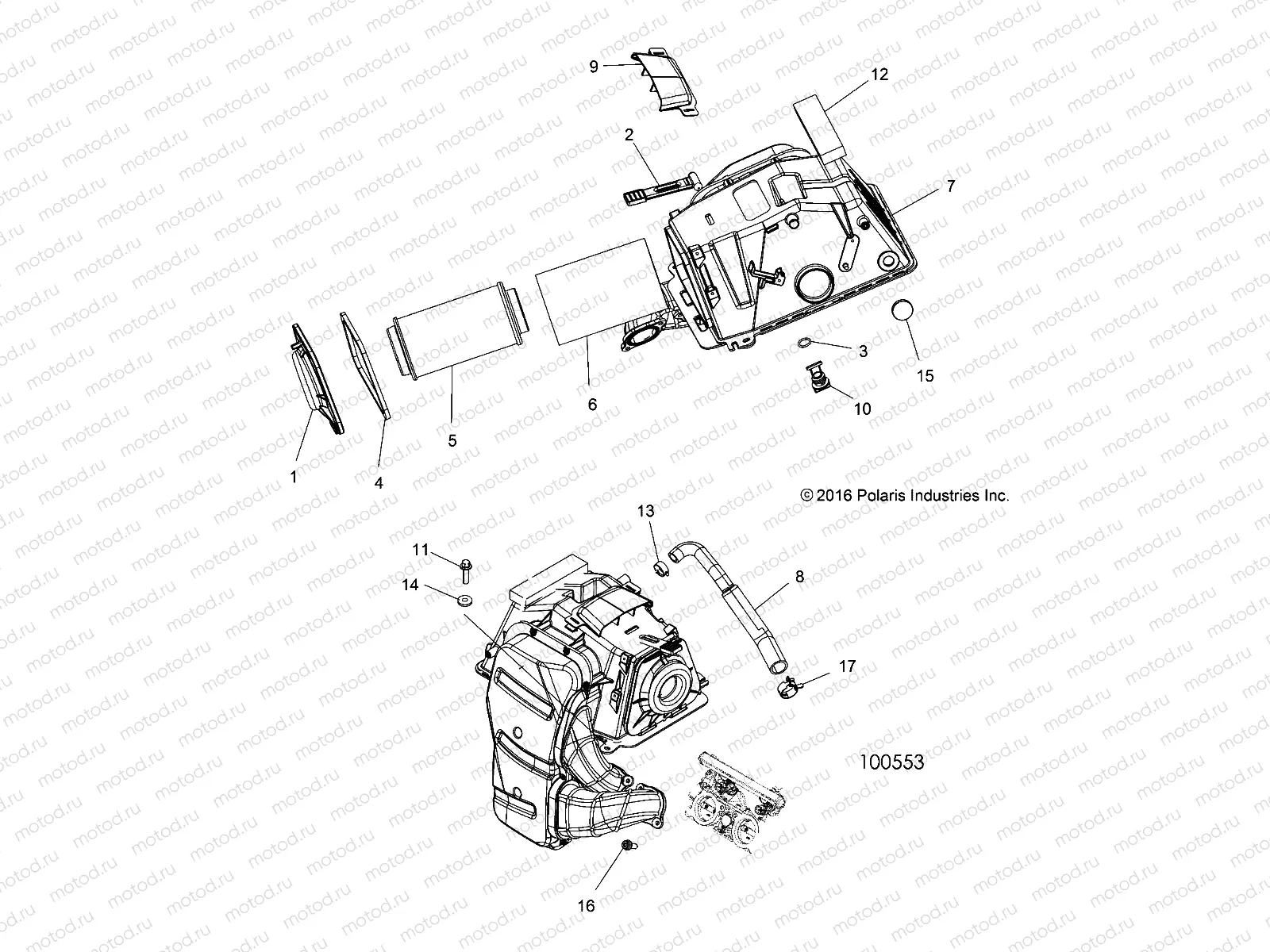
ENGINE | ENGINE, AIR INTAKE - A16SXS95CK/CG/T95C2

ENGINE | ENGINE, AIR INTAKE - A16SXS95CK/CG/T95C2
1
5438983
COVER-AIRBOX
Цена по
запросу
2
5433150
STRAP
Цена по
запросу
3
5414246
O-RING 20.85ODX2.5MM
Цена по
запросу
4
5813359
SEAL-AIRBOX COVER
Цена по
запросу
5
7082101
FILTER-AIR INTAKE
Цена по
запросу
6
5811633
FILTER PRECLEAN SLEEVE
Цена по
запросу
7
1240825
ASM-AIR INTAKE BOX W/RUNNERS
Цена по
запросу
8
5414322
HOSE-BREATHER TWIN
Цена по
запросу
9
5414252
HOOD-AIR INTAKE
Цена по
запросу
10
5451429
PLUG-AIRBOX
Цена по
запросу
11
7518529
SCR-M6X1.0X20 HXHD FLG TDFM BL
Цена по
запросу
12
5813409
FOAM-CAB SGUARD 254X38.1X19.05
Цена по
запросу
13
7081026
CLAMP-HOSE SPRING .81
Цена по
запросу
14
7555859
WASHER FLAT
Цена по
запросу
15
5415705
PLUG-AIR BOX MUDDER
Цена по
запросу
16
7518803
SCR-SOCFLGHD M6X1.0X16
Цена по
запросу
17
7080842
CLAMP SPRINGBAND 29/12 BLK
Цена по
запросу

Узлы для