ENGINE | ENGINE, STARTER MOTOR - S20CEF5BSL (49SNOWSTARTER14550)

ENGINE | ENGINE, STARTER MOTOR - S20CEF5BSL (49SNOWSTARTER14550)
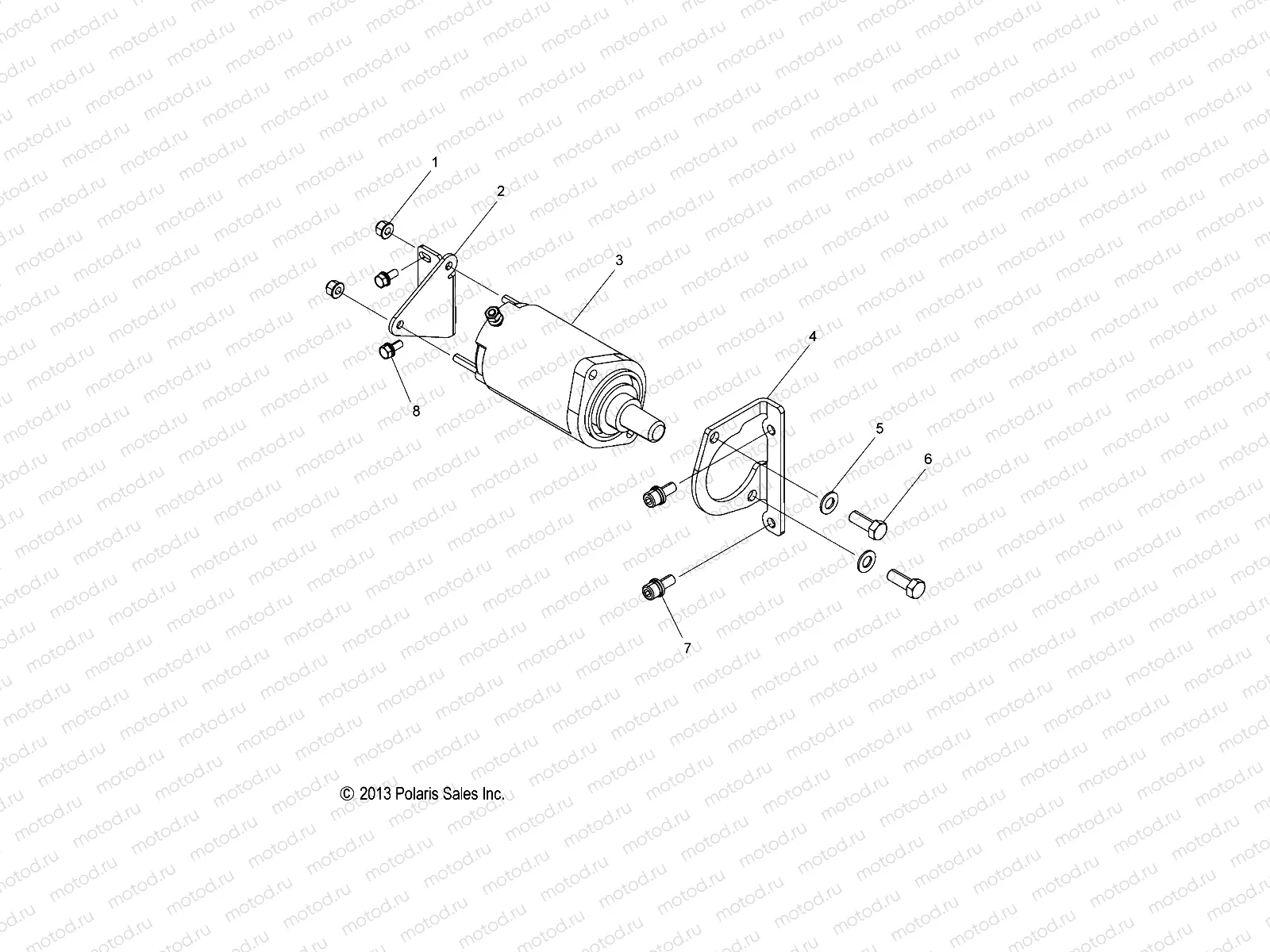
1
7542153
NUT NYLOK FLANGED
Цена по
запросу
2
5257395
BRKT-STARTER REAR PLATED
Цена по
запросу
3
2414829
ASM-STARTER
Цена по
запросу
4
5257396
BRACKET-STARTER FRONT PLATED
Цена по
запросу
5
7552603
Rondelle (Lock)
Цена по
запросу
6
7512492
Vis
Цена по
запросу
7
7516730
ASM. SCREW AND WASHER
Цена по
запросу
8
7516815
Vis
Цена по
запросу

Узлы для