ENGINE | ENGINE, CYLINDER - S20CEF5BSL (4997239723C11)

ENGINE | ENGINE, CYLINDER - S20CEF5BSL (4997239723C11)
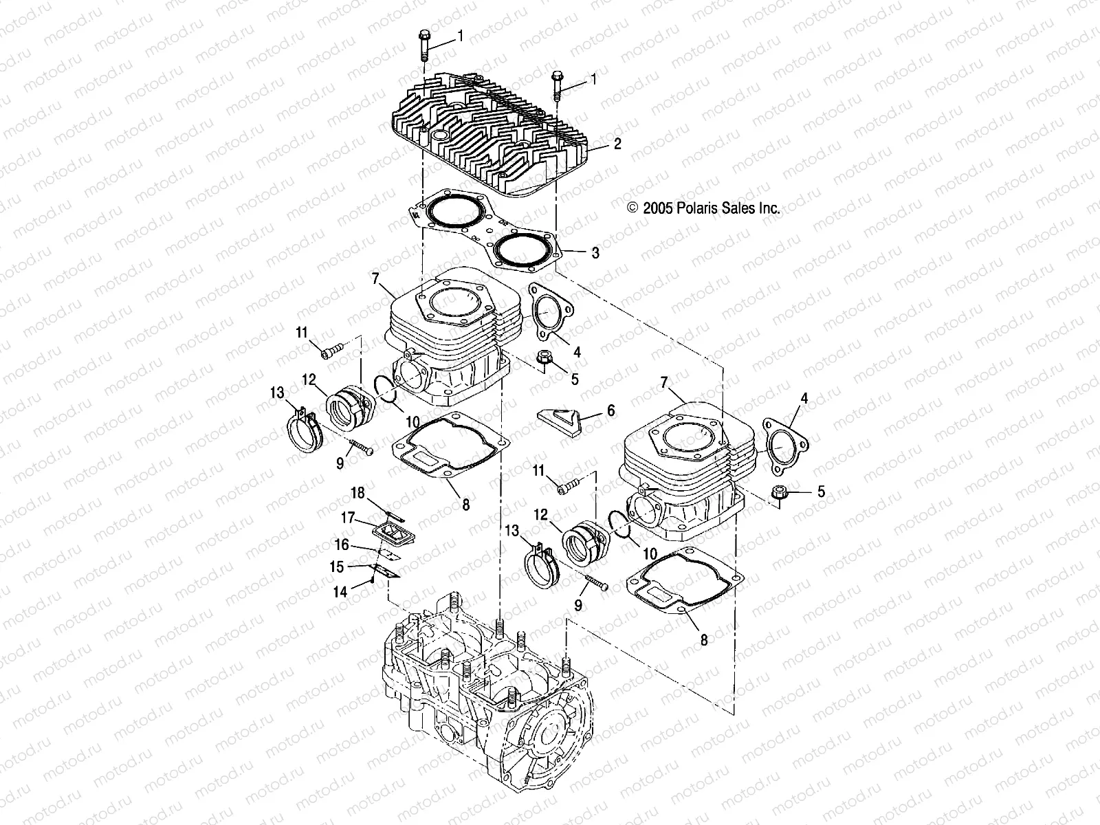
1
3084271
Vis
Цена по
запросу
2
3023391
HEAD-CYLINDER
Цена по
запросу
3
3023392
Joint culasse
Цена по
запросу
4
3085714
Exhaust gasket
Цена по
запросу
5
3082911
NUT-FLANGE.
Цена по
запросу
6
3085692
COVER CYL.BAFFLE
Цена по
запросу
7
3090388
CYLINDER-KONIG
Цена по
запросу
8
2209316
Joint d'embase cylindre
Цена по
запросу
9
3081497
Vis
Цена по
запросу
10
5418045
O-Ring
Цена по
запросу
11
3081330
BOLT SOCKET HEAD
Цена по
запросу
12
3085670
ASM. ADAPTER
Цена по
запросу
13
3090180
ASM-BAND ADAPTER
Цена по
запросу
14
3085717
SCREW & WASHER ASM.
Цена по
запросу
15
3086387
STOPPER
Цена по
запросу
16
3085715
VALVE REED
Цена по
запросу
17
3086386
ASM-VALVE REED
Цена по
запросу
18
3086386
ASM-VALVE REED
Цена по
запросу

Узлы для