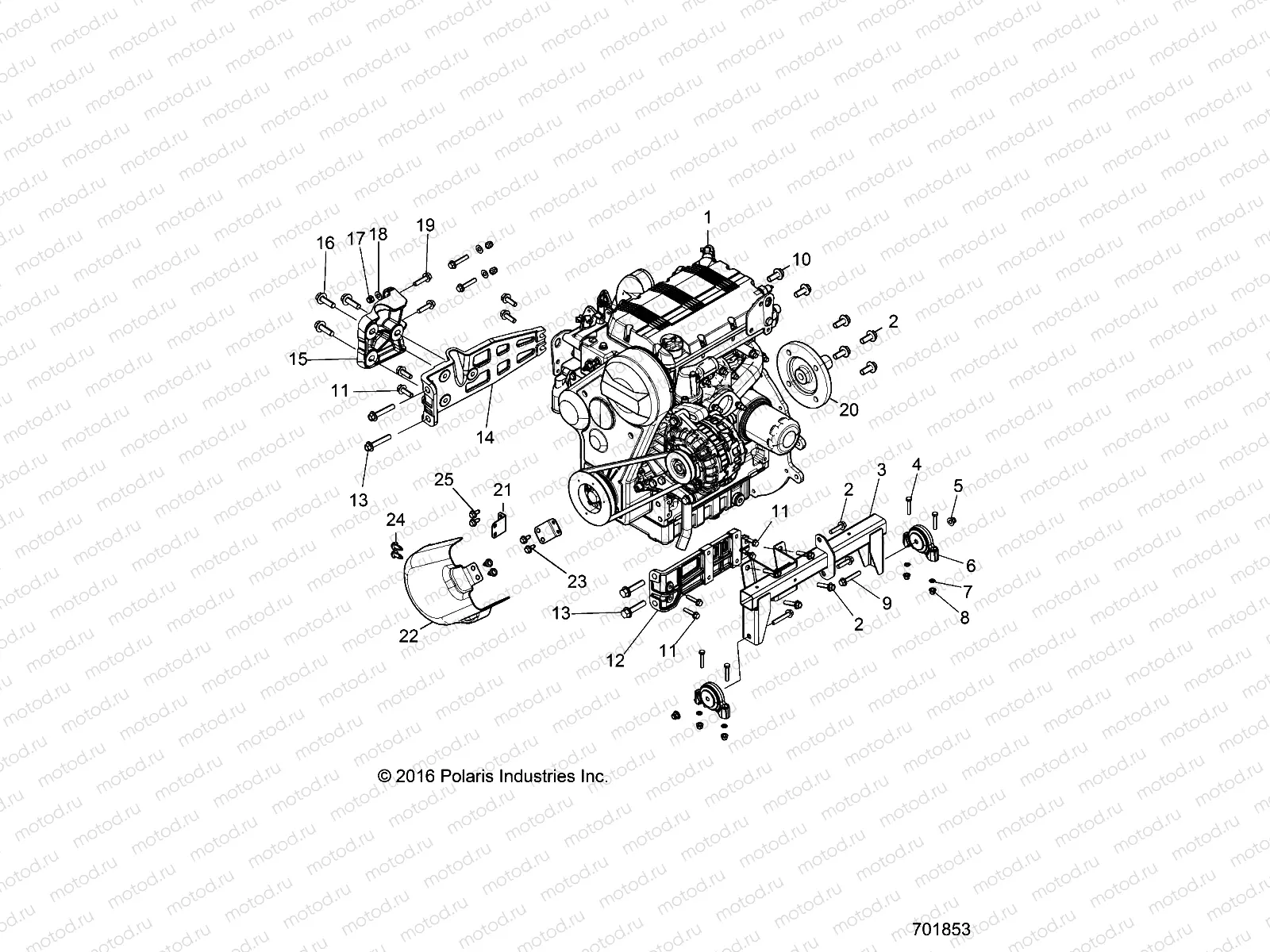
ENGINE | ENGINE, MOUNTING - R18RTED1F1/SD1C1 (701853)

ENGINE | ENGINE, MOUNTING - R18RTED1F1/SD1C1 (701853)
1
1205626
ASM-ENG KDW1003-5143
Цена по
запросу
2
7519071
SCR-M10X1.5X25 8.8 HXFL ZOD
Цена по
запросу
3
1020409-329
WELD-MOUNT ENGINE BLK
Цена по
запросу
4
7519097
SCR-HH M8X1.25X45 8.8 ZOD
Цена по
запросу
5
7547333
NUT-M10X1.25 FLG NYLOC-OLIVE D
Цена по
запросу
6
1332955
MOUNT-ISOLATOR DRIVELINE
Цена по
запросу
7
7547030
PALNUT
Цена по
запросу
8
7547332
NUT-M8X1.25 FLG NYLOC-OLIVE D
Цена по
запросу
9
7518563
BOLT-M10X1.25X60 HXFLG-OLIVE D
Цена по
запросу
10
7519133
SCR-HXFL-M8X1.25X20 8.8 ZOD P3
Цена по
запросу
11
7518514
BOLT-M8X1.25X25 HXFLG-OLIVE D
Цена по
запросу
12
5633200
COUPLER-L-ENGINE FRONT
Цена по
запросу
13
7520054
SCR-HXFL-M12X1.75X30 ZOD
Цена по
запросу
14
5633498
COUPLER-ENGINE GEARCASE
Цена по
запросу
15
5633151
COUPLER-L-ENGINE GEARCASE
Цена по
запросу
16
7519782
SCR-HXFL-M10X1.5X35 10.9 ZOD D
Цена по
запросу
17
7547423
NUT-M10X1.5 HFN NYLOC ZOD
Цена по
запросу
18
7556153
WASHER 3/8 FW
Цена по
запросу
19
7519783
SCR-HXFL-M10X1.5X50 10.9 ZOD
Цена по
запросу
20
5139278
ADAPTER-CLUTCH DSL
Цена по
запросу
21
5260915-458
BRKT-BELT GUARD MOUNT BLK
Цена по
запросу
22
5452667
COVER-DEBRIS
Цена по
запросу
23
7518513
BOLT-M6X1.0X15 HXFLG TAP/R-OD
Цена по
запросу
24
7661855
RIVET-TUFLOK .315-.325X.787 (5
Цена по
запросу
25
7517704
Vis
Цена по
запросу

Узлы для