ELECTRICAL | ELECTRICAL, REGULATOR, RELAYS and ECU - R18RTED1F1/SD1C1 (49RGRELECT151KDSL)

ELECTRICAL | ELECTRICAL, REGULATOR, RELAYS and ECU - R18RTED1F1/SD1C1 (49RGRELECT151KDSL)
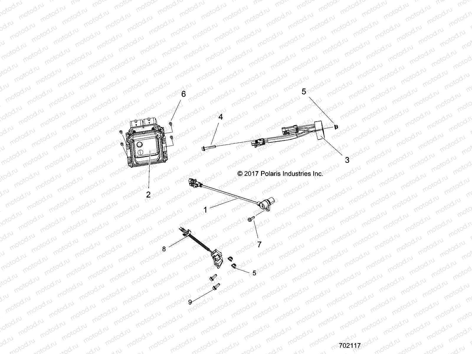
1
2411719
SENSOR-CRANK POSITION
Цена по
запросу
2
4012838
ECU-BASE M17
Цена по
запросу
3
4012829
RELAY SOLID STATE 9A LONG LD
Цена по
запросу
4
7518612
BOLT-M6X1.0X35 HXFLG/SH-OLV D
Цена по
запросу
5
7547339
NUT-M6X1.0 FLG-NYLOC-OLIVE D
Цена по
запросу
6
7519091
SCR-#10X1/2-HI/LO-PN-T25 TRX-M
Цена по
запросу
7
7520055
SCR-HXFL-M6X20 ZOD HI LO
Цена по
запросу
8
4014934
SENSOR-VANE
Цена по
запросу
9
7518803
SCR-SOCFLGHD M6X1.0X16
Цена по
запросу

Узлы для