ENGINE | ENGINE, GOVERNOR - R13TH90DG (49RGRGOVERNOR11DCREW)

ENGINE | ENGINE, GOVERNOR - R13TH90DG (49RGRGOVERNOR11DCREW)
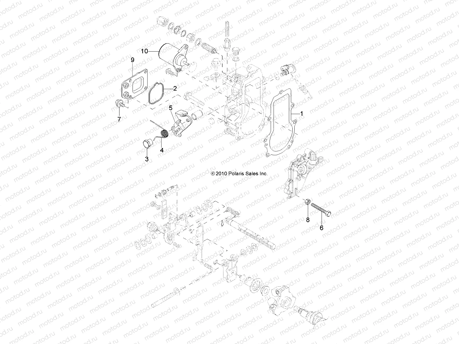
1
3070237
GASKET CASE
Цена по
запросу
2
3070238
GASKET COVER
Цена по
запросу
3
3070260
Nut (M8)
Цена по
запросу
4
3070319
SPRING LEVER
Цена по
запросу
5
3070250
LEVER CONTROL
Цена по
запросу
6
3070265
BOLT IDLE
Цена по
запросу
7
3070126
BOLT 6X10 PLATED
Цена по
запросу
8
3070279
LOCK NUT 6
Цена по
запросу
9
3070318
COVER-GOVERNOR CASE
Цена по
запросу
10
3070283
SOLENOID STOP
Цена по
запросу

Узлы для