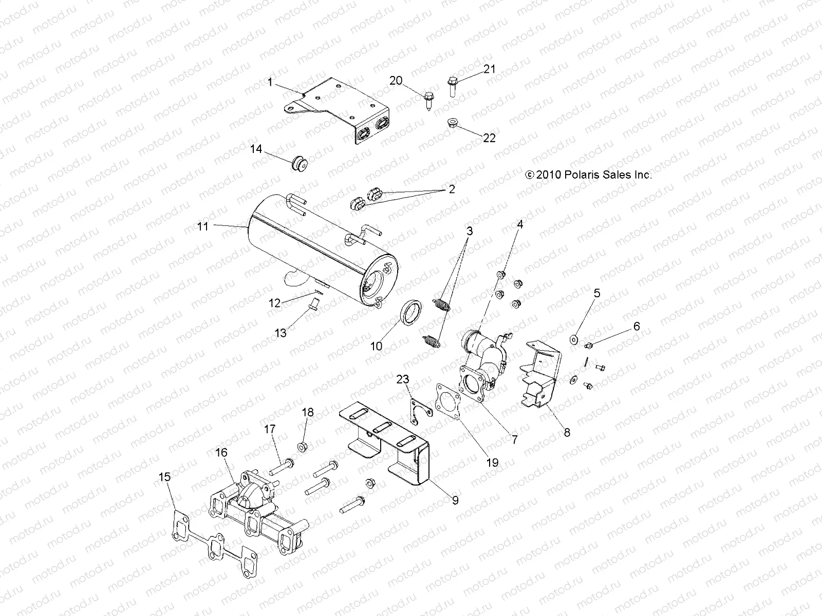
ENGINE | ENGINE, EXHAUST - R13TH90DG (49RGREXHAUST11900D)

ENGINE | ENGINE, EXHAUST - R13TH90DG (49RGREXHAUST11900D)
1
5254657-067
MOUNT-SILENCER BLK
Цена по
запросу
2
5436598
GROMMET-SILENCER MOUNT
Цена по
запросу
3
7041804
Spring
Цена по
запросу
4
7547440
NUT-HXFL M8X1.25 ZOD
Цена по
запросу
5
7555935
Rondelle
Цена по
запросу
6
7515197
Vis
Цена по
запросу
7
1262206-489
WELD-PIPE EXHAUST BLK
Цена по
запросу
8
5254238
SHIELD-HEAT EXHAUST REAR
Цена по
запросу
9
5255378
SHIELD-MANIFOLD DIESEL
Цена по
запросу
10
3610181
SEAL-EXHAUST SOCKET
Цена по
запросу
11
1262207-489
WELD-SILENCER BLK
Цена по
запросу
12
7556230
WASHER-CLEAN OUT .51X.75X.09 (
Цена по
запросу
13
7512666
Vis
Цена по
запросу
14
5414307
GROMMET-SILENCER MOUNT
Цена по
запросу
15
3070085
GASKET MANIFOLD
Цена по
запросу
16
3070084
MANIFOLD EXHAUST
Цена по
запросу
17
3070087
No longer available
Цена по
запросу
18
3070089
Nut (M8)
Цена по
запросу
19
3070003
Exhaust gasket
Цена по
запросу
20
7518555
BOLT-M8X1.25X20 HXFLG TAP/R-OD
Цена по
запросу
21
7518514
BOLT-M8X1.25X25 HXFLG-OLIVE D
Цена по
запросу
22
7547332
NUT-M8X1.25 FLG NYLOC-OLIVE D
Цена по
запросу
23
5254672
PLATE-MANIFOLD
Цена по
запросу

Узлы для