ENGINE | ENGINE, EXHAUST SYSTEM - R15RMA32FA (49RGREXHAUST15325)

ENGINE | ENGINE, EXHAUST SYSTEM - R15RMA32FA (49RGREXHAUST15325)
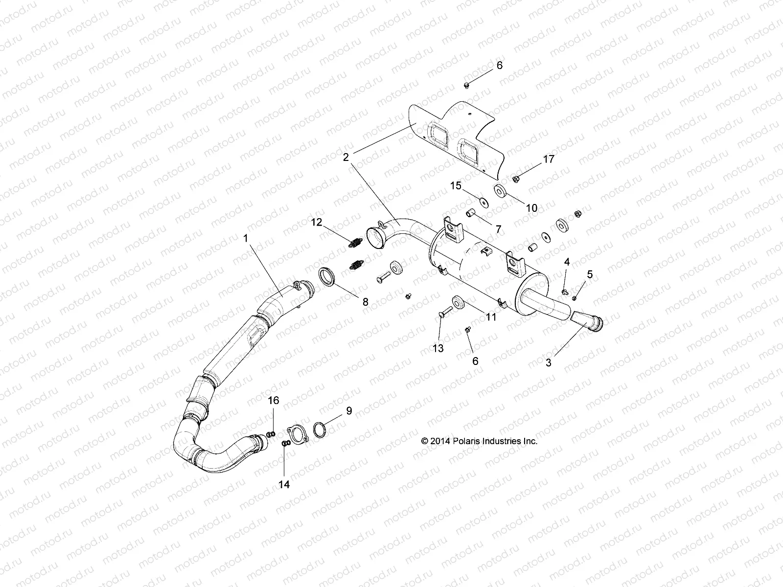
1
7081156
CLAMP HEAT SHIELD EXHAUST
Цена по
запросу
1
1262513
ASM-HEADPIPE
Цена по
запросу
2
1263311
ASM-SILENCER
Цена по
запросу
2
5258754
SHIELD-SILENCER
Цена по
запросу
3
1262239
WELD-SPARK ARRESTOR QT
Цена по
запросу
4
7517257
SCREW HXFLGHD M6X12
Цена по
запросу
5
7547120
Nut
Цена по
запросу
6
7515197
Vis
Цена по
запросу
7
5010192
BUSHING
Цена по
запросу
8
5256385
SEAL-EXHAUST
Цена по
запросу
9
5256452
Exhaust gasket
Цена по
запросу
10
5414945
WSHR-15.4X38.1X7.9 RUBBER
Цена по
запросу
11
5414946
DAMPER-VIBRATION
Цена по
запросу
12
7041789
Spring
Цена по
запросу
13
7519305
SCR-CAR M8X1.25 40 8.8 ZOD
Цена по
запросу
14
7547076
NUT HEXHD M8
Цена по
запросу
15
7555716
Rondelle
Цена по
запросу
16
7556111
Rondelle (Lock)
Цена по
запросу
17
7547332
NUT-M8X1.25 FLG NYLOC-OLIVE D
Цена по
запросу

Узлы для