BODY | BODY, HOOD, DASH and GRILL - R15RMA32FA (700122)

BODY | BODY, HOOD, DASH and GRILL - R15RMA32FA (700122)
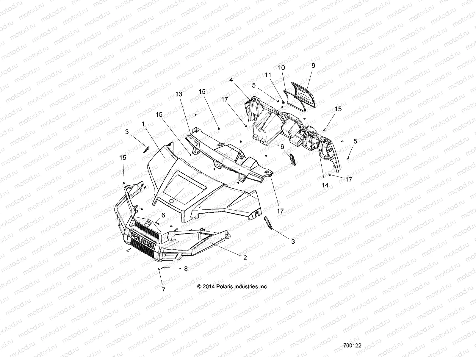
1
5451006-498
HOOD-BASIC SAFEBRUSH GRN
Цена по
запросу
2
5451005-070
FASCIA-FRONT RANGER BLK
Цена по
запросу
3
5415295
STRAP-RETAINER HOOD
Цена по
запросу
4
5451129-070
DASH-PANEL LOWER CPI BLK
Цена по
запросу
5
7519650
SCR-TXTH-M6X1.0X25 RIE
Цена по
запросу
6
7519045
SCR-TX TRUSS-#14X3/4 HI/LO ZBK
Цена по
запросу
7
7661843
PIN-CLEVIS 1/4 X 3/4 -Y
Цена по
запросу
8
7662139
PIN-HITCH 1/16-Y
Цена по
запросу
9
5451007-070
COVER-GLOVEBOX BLK
Цена по
запросу
10
5522052
SEAL-GLOVEBOX
Цена по
запросу
11
5412504
GROMMET-RUBBER MOUNT 25
Цена по
запросу
13
5451009-070
DASH-PANEL UPPER BLK
Цена по
запросу
14
7519806
CLIP-DASH TRIM METAL
Цена по
запросу
15
7661855
RIVET-TUFLOK .315-.325X.787 (5
Цена по
запросу
16
5414249
GROMMET-SHIFT LEVER
Цена по
запросу
17
7547674
NUT-M6-1.0 U-TYPE (2.5-3.8)(10
Цена по
запросу

Узлы для