ENGINE | ENGINE, ENGINE and TRANSMISSION MOUNTING - R19RMA57F1/S57C1/F1 (702400)

ENGINE | ENGINE, ENGINE and TRANSMISSION MOUNTING - R19RMA57F1/S57C1/F1 (702400)
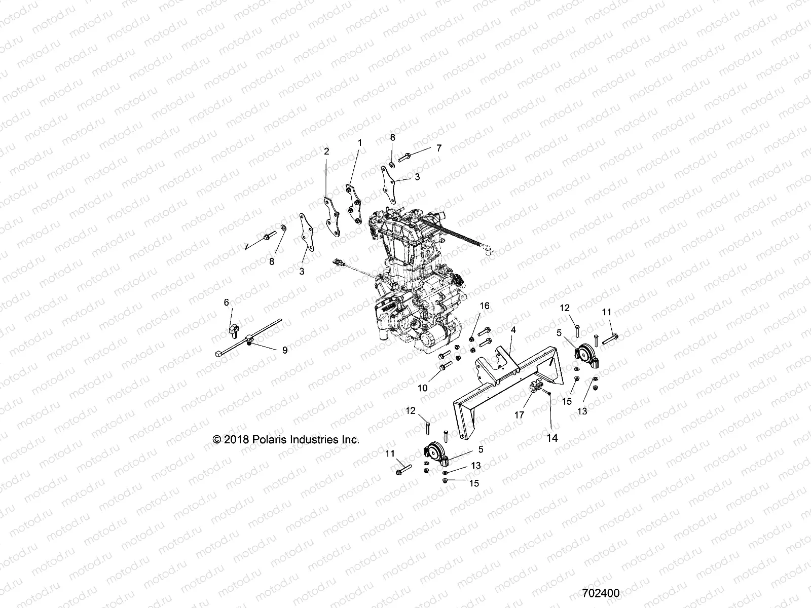
1
1018420
WELD-TRANS INNER LEFT
Цена по
запросу
2
1018421
WELD-TRANS INNER RIGHT
Цена по
запросу
3
5255321
BRKT-COUPLER TRANS OUTER
Цена по
запросу
4
1018903-329
WELD-MNT ENGINE BLK
Цена по
запросу
5
1332955
MOUNT-ISOLATOR DRIVELINE
Цена по
запросу
6
7670102
CLIP
Цена по
запросу
7
7518971
SCR-M10X1.5X50 8.8 HX/FL ZOD
Цена по
запросу
8
7556153
WASHER 3/8 FW
Цена по
запросу
9
7081496
CLIP-ROUTING
Цена по
запросу
10
7519332
SCR-HXFL-M10X1.25X40 8.8 ZOD
Цена по
запросу
11
7518563
BOLT-M10X1.25X60 HXFLG-OLIVE D
Цена по
запросу
12
7519097
SCR-HH M8X1.25X45 8.8 ZOD
Цена по
запросу
13
7547030
PALNUT
Цена по
запросу
14
7512025
Vis
Цена по
запросу
15
7547332
NUT-M8X1.25 FLG NYLOC-OLIVE D
Цена по
запросу
16
7547333
NUT-M10X1.25 FLG NYLOC-OLIVE D
Цена по
запросу
17
7081689
T-CLIP T15
Цена по
запросу

Узлы для