DRIVE TRAIN | DRIVE TRAIN, FRONT DRIVE SHAFT - R19RMA57F1/S57C1/F1 (702093)

DRIVE TRAIN | DRIVE TRAIN, FRONT DRIVE SHAFT - R19RMA57F1/S57C1/F1 (702093)
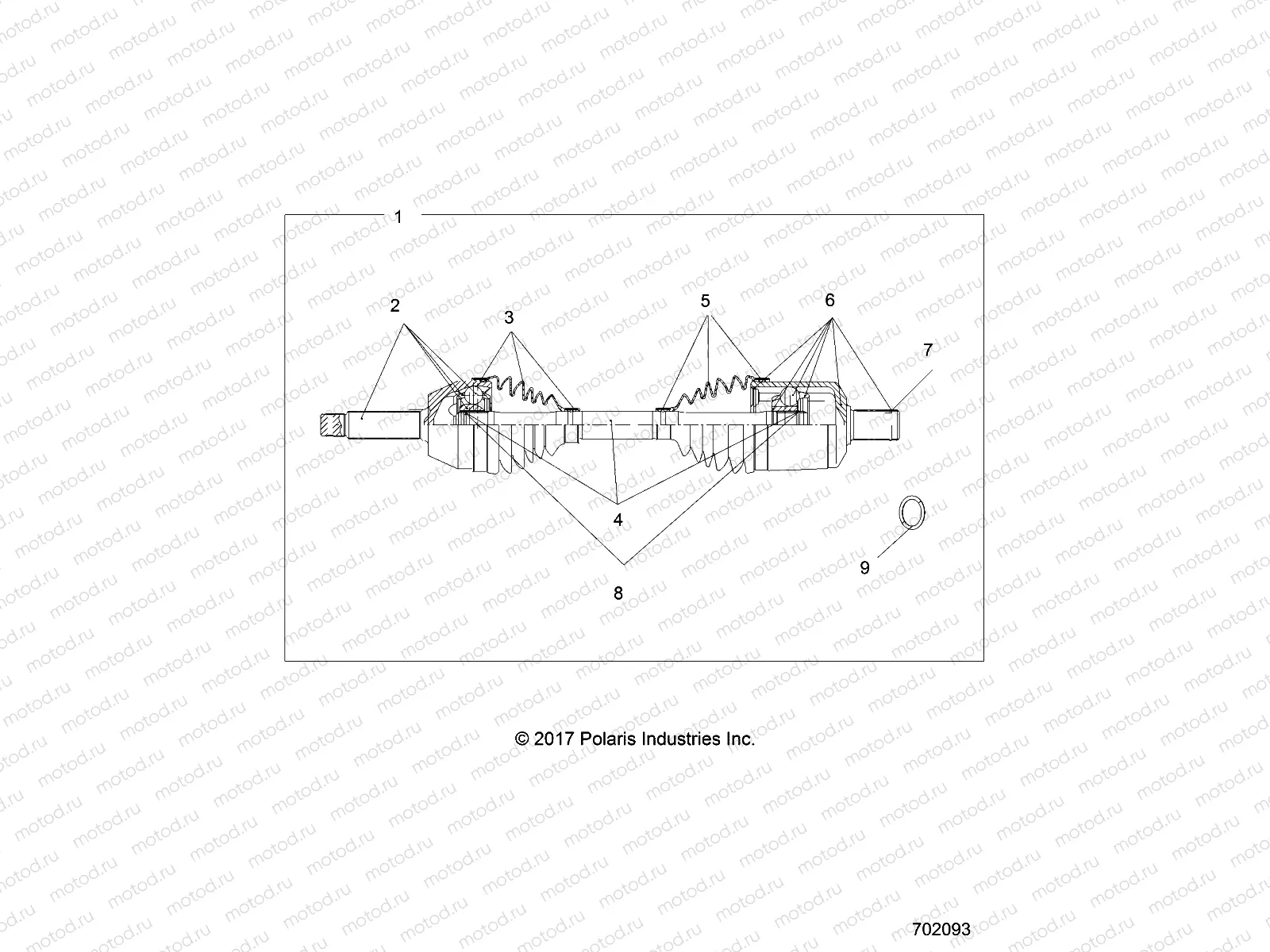
1
1333742
ASM-DRIVESHAFT FRT
Цена по
запросу
2
2206540
K-OUTER JOINT
Цена по
запросу
3
2206541
K-OUTER BOOT KIT
Цена по
запросу
4
2206542
K-BAR
Цена по
запросу
5
2206543
K-INNER BOOT KIT
Цена по
запросу
6
2206544
K-INNER JOINT
Цена по
запросу
7
2206545
K-SNAP RING
Цена по
запросу
8
2206546
K-CIRCLIP
Цена по
запросу
9
5414535
O-RING 20.30MMX2.62MM
Цена по
запросу

Узлы для