ENGINE | ENGINE, CARBURETOR, LOWER - A07LB27AA/AC/LH27AA/AB/AC/AD/AL (4999202079920207D06)

ENGINE | ENGINE, CARBURETOR, LOWER - A07LB27AA/AC/LH27AA/AB/AC/AD/AL (4999202079920207D06)
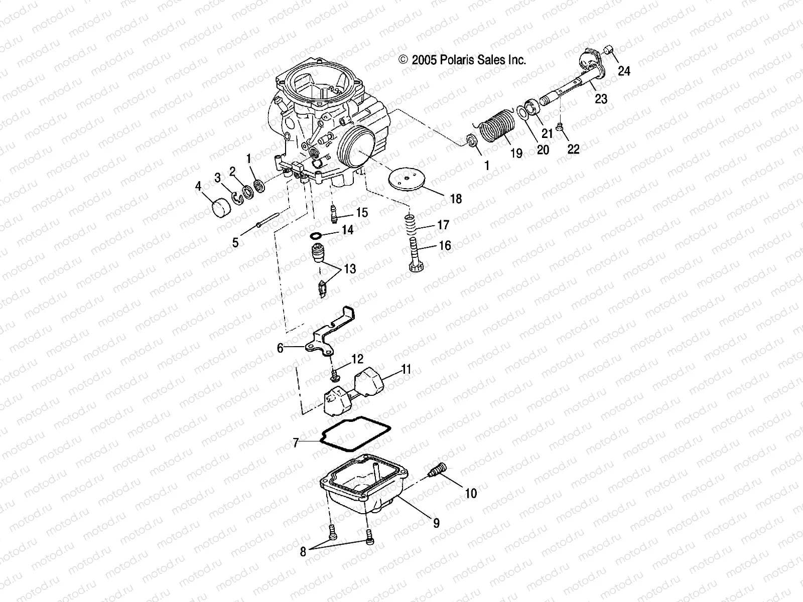
1
3130515
SEAL
Цена по
запросу
2
LR--
CALIPER, BRAKE, RH
Цена по
запросу
3
3130518
E-RING
Цена по
запросу
4
3130519
CAP
Цена по
запросу
5
3130361
PIN FLOAT
Цена по
запросу
6
3130594
PLATE
Цена по
запросу
7
3130532
Gasket - float chamber
Цена по
запросу
8
3130520
Vis
Цена по
запросу
9
3131622
ASM-FLOAT BODY
Цена по
запросу
10
3130521
Vis
Цена по
запросу
11
3130529
FLOAT ASM.
Цена по
запросу
12
3130591
Vis
Цена по
запросу
13
3131360
VALVE-NEEDLE 1.5(PUSH IN)
Цена по
запросу
14
3130533
O-Ring
Цена по
запросу
15
3130068
JET PILOT #45
Цена по
запросу
16
3131423
SCREW-ADJUST
Цена по
запросу
17
3130836
Spring
Цена по
запросу
18
3130502
VALVE THROTTLE 100
Цена по
запросу
19
3130589
Spring
Цена по
запросу
20
3131624
Rondelle
Цена по
запросу
21
3130932
RING
Цена по
запросу
22
3130501
Vis
Цена по
запросу
23
3131602
ASSY-THROTTLE SHAFT
Цена по
запросу
24
3130543
GUIDE CABLE
Цена по
запросу

Узлы для