BRAKE | BRAKE, FRONT - A07LB27AA/AC/LH27AA/AB/AC/AD/AL (4999202079920207A14)

BRAKE | BRAKE, FRONT - A07LB27AA/AC/LH27AA/AB/AC/AD/AL (4999202079920207A14)
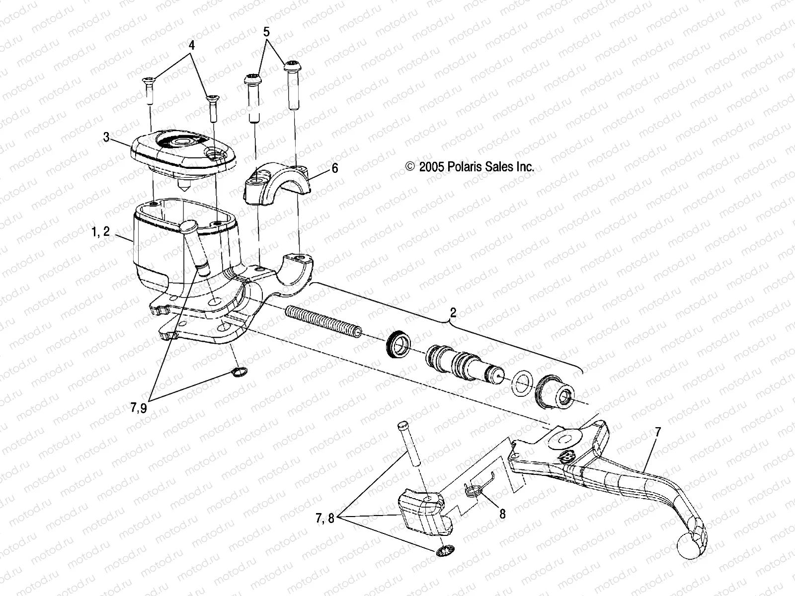
0
2203060
KIT-ASM MASTER CYL 5/8 HB
Цена по
запросу
1
2203060
KIT-ASM MASTER CYL 5/8 HB
Цена по
запросу
2
2203061
KIT-PISTON & RES BODY 5/8 HB
Цена по
запросу
3
2203055
KIT-M/C COVER HB
Цена по
запросу
4
2203056
KIT-M/C COVER SCREWS HB
Цена по
запросу
5
2203058
KIT-SCREWS CLAMP HB
Цена по
запросу
6
2203093
KIT-CLAMP HB 11/16
Цена по
запросу
7
2203053
KIT-LEVER & PARK LEVER HB
Цена по
запросу
8
2203054
KIT-PARK LEVER HB
Цена по
запросу
9
2203059
KIT-PIVOT PIN HB
Цена по
запросу

Узлы для