ELECTRICAL | ELECTRICAL, WIRE HARNESSES - R08RB50AA (49RGRHARNESS082X4)

ELECTRICAL | ELECTRICAL, WIRE HARNESSES - R08RB50AA (49RGRHARNESS082X4)
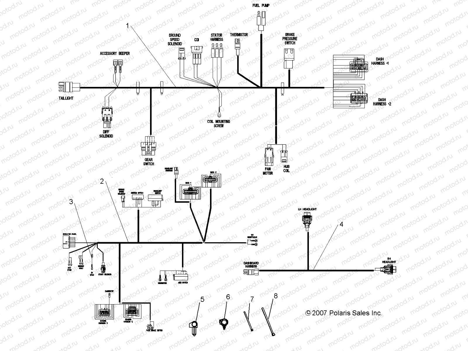
1
2410960
Harness, Chassis
Цена по
запросу
2
2410964
HARNESS-DASH 500 CARB
Цена по
запросу
3
2202147
KIT-FUSIBLE LINK
Цена по
запросу
4
2410979
HARNESS-HEADLITE/HOOD
Цена по
запросу
5
7670102
CLIP
Цена по
запросу
6
4020149
CLIP ROSEBUD
Цена по
запросу
7
7080138
CABLE TIE
Цена по
запросу
8
7080761
CABLE TIE 14
Цена по
запросу

Узлы для