ELECTRICAL | ELECTRICAL, DASH INSTRUMENTS and CONTROLS - R08RB50AA (49RGRDASH082X4)

ELECTRICAL | ELECTRICAL, DASH INSTRUMENTS and CONTROLS  - R08RB50AA (49RGRDASH082X4)
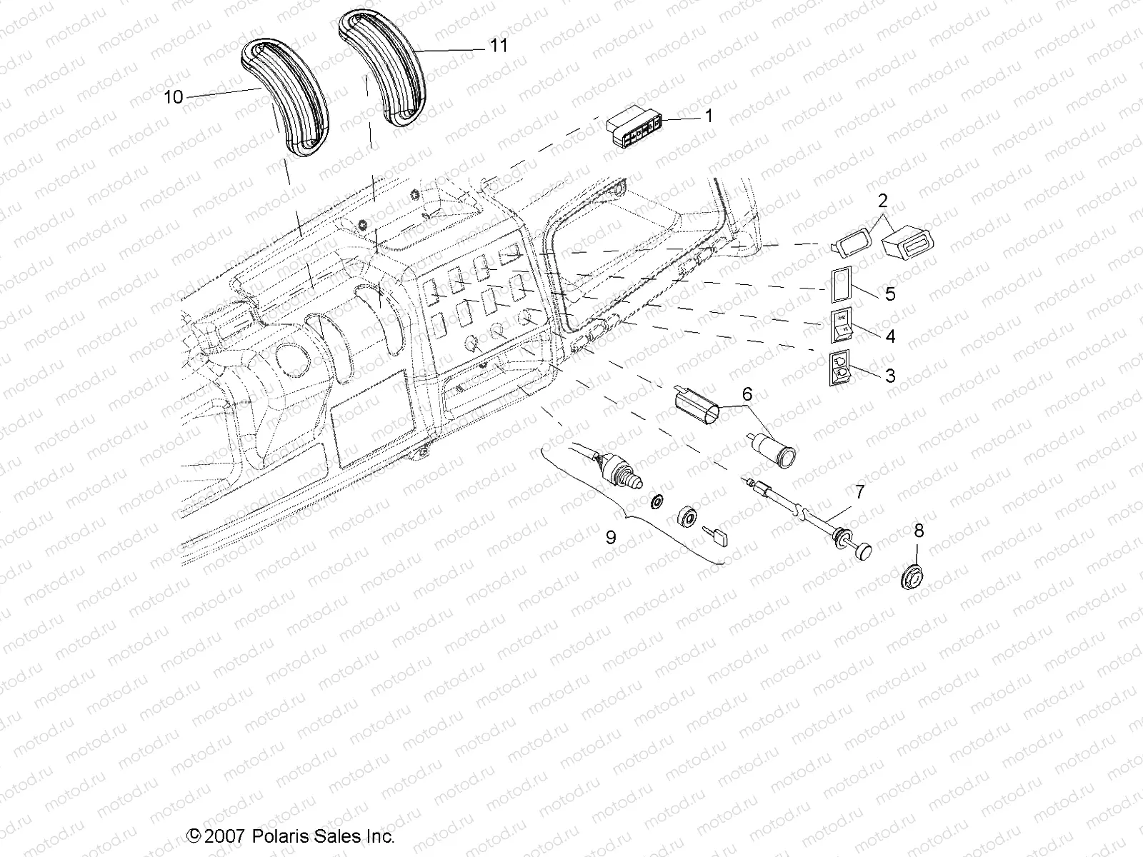
1
4010797
PANEL-INDICATOR
Цена по
запросу
1
4010416
BULB-INDICATOR HOBBS
Цена по
запросу
2
4014082
CLIP-HOURMETER RECTNGLR
Цена по
запросу
2
4010460
HOURMETER-12V NON-POL RECTNGLR
Цена по
запросу
3
4011500
SWITCH-HEADLIGHT
Цена по
запросу
4
4011191
SWITCH-DIFF LOCK
Цена по
запросу
5
5434192
PLUG-HOLE CARLING ROCKER SWTCH
Цена по
запросу
6
4010638
RECEPTACLE-POD MNT 12 VOLT
Цена по
запросу
7
7081299
CABLE-CHOKE
Цена по
запросу
8
7080922
NUT CHOKE M24X1.5 THD M29 HEX
Цена по
запросу
9
4012165
SWITCH-KEY 3 POS MT SLV
Цена по
запросу
10
5412294
GROMMET-GEAR SHIFT PLUG
Цена по
запросу
11
5412154
GROMMET-GEAR SHIFT
Цена по
запросу

Узлы для