ELECTRICAL | ELECTRICAL, MOTOR, INTERNALS - R19RMAE4G8/G9 (49RGRELECTMTR15EV2)

ELECTRICAL | ELECTRICAL, MOTOR, INTERNALS - R19RMAE4G8/G9 (49RGRELECTMTR15EV2)
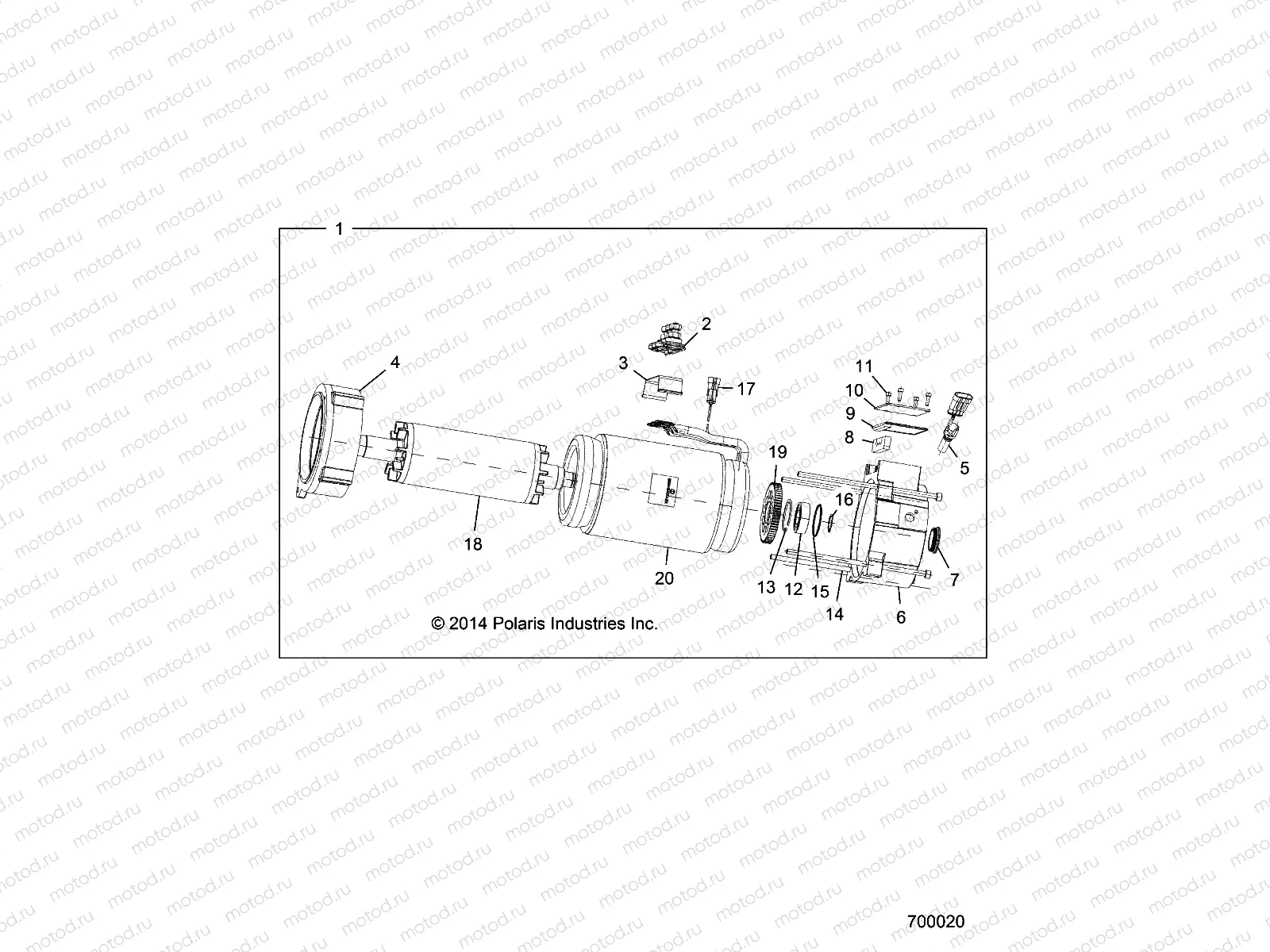
1
4014867
ASM-MOTOR AC LARGE
Цена по
запросу
2
3235735
BOARD-TERMINAL
Цена по
запросу
3
3235736
BASE-TERMINAL
Цена по
запросу
4
3235737
RING-DRIVE END
Цена по
запросу
5
3235738
SENSOR-SPEED
Цена по
запросу
6
3235739
SHIELD-NON DRIVE END
Цена по
запросу
7
3235740
PLUG-SCREW PLASTIC O-RING
Цена по
запросу
8
3235741
BLOCK-SEALING
Цена по
запросу
9
3235742
PLATE-SEALING
Цена по
запросу
10
3235743
PLATE-COVER
Цена по
запросу
11
3235744
SCR-SH-M5X0.8X16 DIN912
Цена по
запросу
12
3235745
BEARING-BALL 6205 2RSC3 HL
Цена по
запросу
13
3235746
CIRCLIP-DIN472 52X2.0C3 HL
Цена по
запросу
14
3235747
SCR-SH-M8X240 DIN912
Цена по
запросу
15
3235748
O-RING-52X2.0
Цена по
запросу
16
3235749
CIRCLIP-25X1.2 DIN471
Цена по
запросу
17
3235750
CONNECTOR-TEMP SENSOR
Цена по
запросу
18
3235751
ROTOR
Цена по
запросу
19
3235752
SENSOR-GEAR WHEEL
Цена по
запросу
20
3235734
STATOR
Цена по
запросу

Узлы для