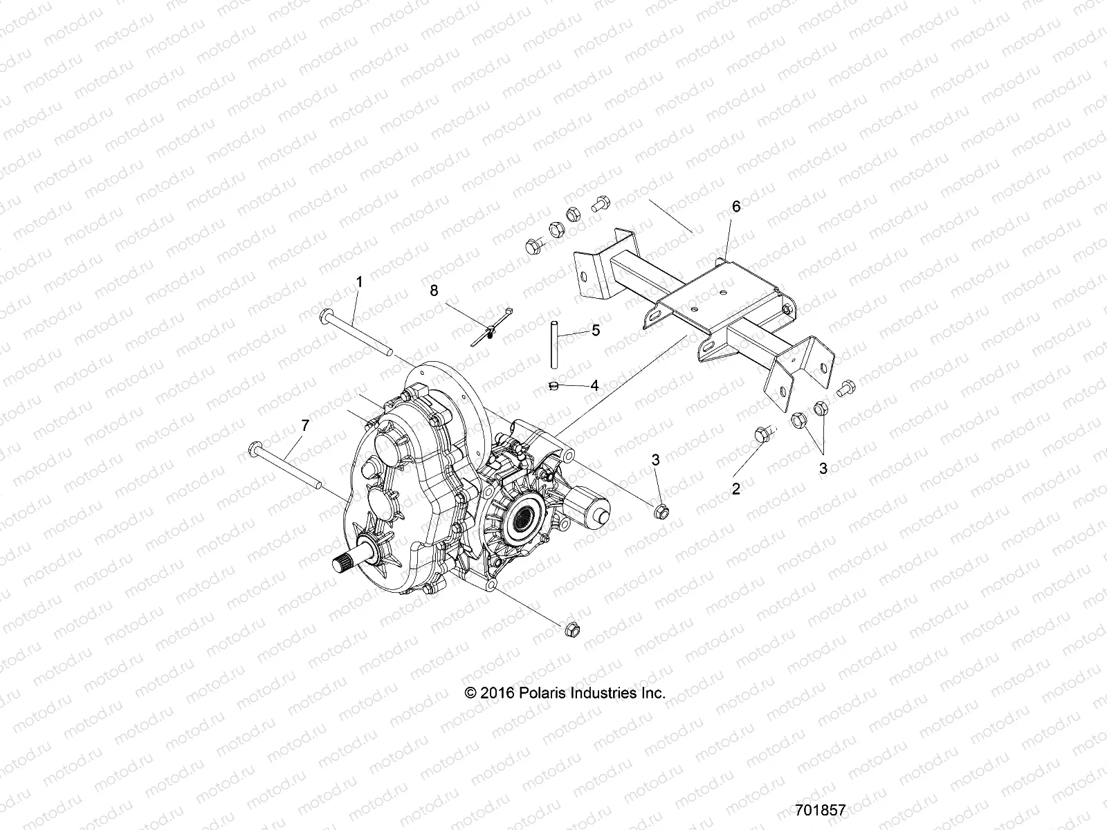
DRIVE TRAIN | DRIVE TRAIN, MAIN GEARCASE MOUNTING - R19RMAE4G8/G9 (701857)

DRIVE TRAIN | DRIVE TRAIN, MAIN GEARCASE MOUNTING - R19RMAE4G8/G9 (701857)
1
7518467
BOLT-M10X1.5X140 HXHD FLG
Цена по
запросу
2
7518460
BOLT-M10X1.5X20 HXFLG W/PATCH
Цена по
запросу
3
7547313
NUT-M10X1.5 HXFLG NYLON INS
Цена по
запросу
4
7081432
CLAMP-HOSE 17/32 GREEN
Цена по
запросу
5
8450040-46
FUEL LINE-46 CENTIMETERS
Цена по
запросу
6
1017335-458
WELD-GEAR CASE MNT RR M BLK
Цена по
запросу
7
7518680
BOLT-M10X1.5X125 HX HD FLG
Цена по
запросу
8
7081496
CLIP-ROUTING
Цена по
запросу

Узлы для