ELECTRICAL | ELECTRICAL, DASH INSTRUMENTS and CONTROLS - R15RMA57FA (700137)

ELECTRICAL | ELECTRICAL, DASH INSTRUMENTS and CONTROLS - R15RMA57FA (700137)
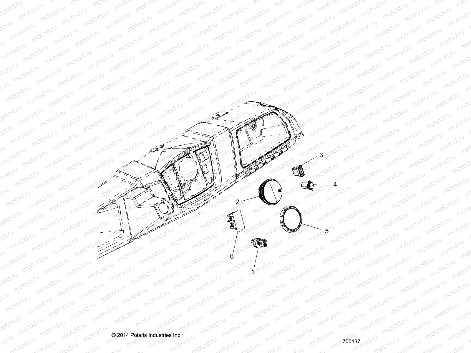
1
4012166
SWITCH-KEY 4 POS ATV MT SLV
Цена по
запросу
2
5412138
MOUNT-RUBBER INSTR. CLUSTER
Цена по
запросу
2
3280623
ASM-CLUSTER CPIA3 SXS ESIN L
Цена по
запросу
3
4012747
SWITCH-AWD
Цена по
запросу
4
4012393
RECEPTACLE-POD MNT 12 VOLT
Цена по
запросу
5
5438945
BEZEL-INSTRUMENT CLUSTER
Цена по
запросу
6
4014944
SWITCH-HAZARD
Цена по
запросу

Узлы для