CHASSIS | CHASSIS, FRAME and FRONT BUMPER - R15RMA57FA (700167)

CHASSIS | CHASSIS, FRAME and FRONT BUMPER - R15RMA57FA (700167)
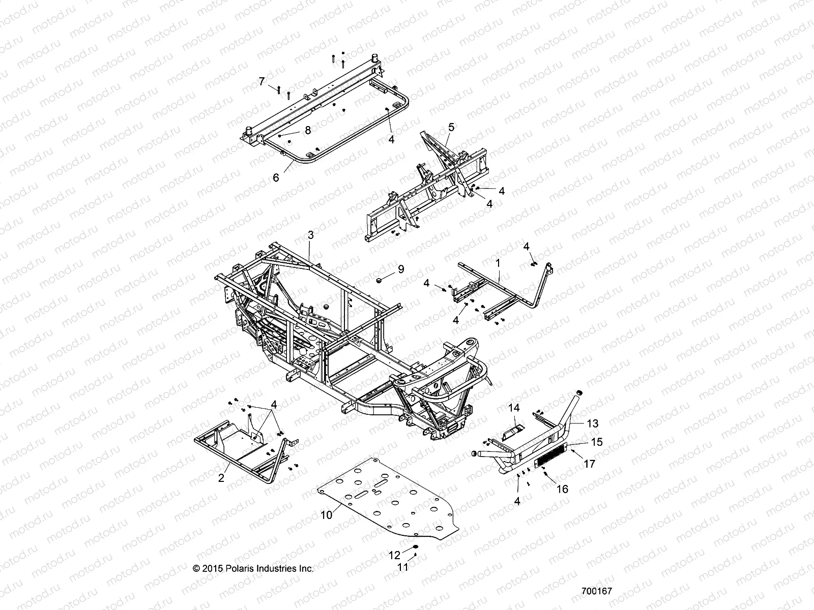
1
1020159-329
WELD-FLOOR SUPT LH BLK
Цена по
запросу
2
1020160-329
WELD-FLOOR SUPT RH BLK
Цена по
запросу
3
1021332-458
WELD-MAIN FRAME EU M.BLK
Цена по
запросу
4
7518555
BOLT-M8X1.25X20 HXFLG TAP/R-OD
Цена по
запросу
5
1020151-329
WELD-CAB SUPPORT FRONT BLK
Цена по
запросу
6
1021330-458
WELD-SEAT BASE CAB SUP EU MBLK
Цена по
запросу
7
7517281
Vis
Цена по
запросу
8
7547332
NUT-M8X1.25 FLG NYLOC-OLIVE D
Цена по
запросу
9
5412067
BUMPER-RUBBER (.31) SHORT
Цена по
запросу
10
5450136
PLATE-SKID
Цена по
запросу
11
7517386
Vis
Цена по
запросу
12
7556065
WASHER SKID PLATE
Цена по
запросу
13
1020136-458
WELD-BUMPER MATTE BLK
Цена по
запросу
14
5438181-070
BRKT-BUMPER GUARD BLK
Цена по
запросу
15
5438240-070
SCREEN-BUMPER UPPER BLK
Цена по
запросу
16
7518158
SCR-#14X1 HI/LO-PH-PN TRX-M
Цена по
запросу
17
7519650
SCR-TXTH-M6X1.0X25 RIE
Цена по
запросу

Узлы для