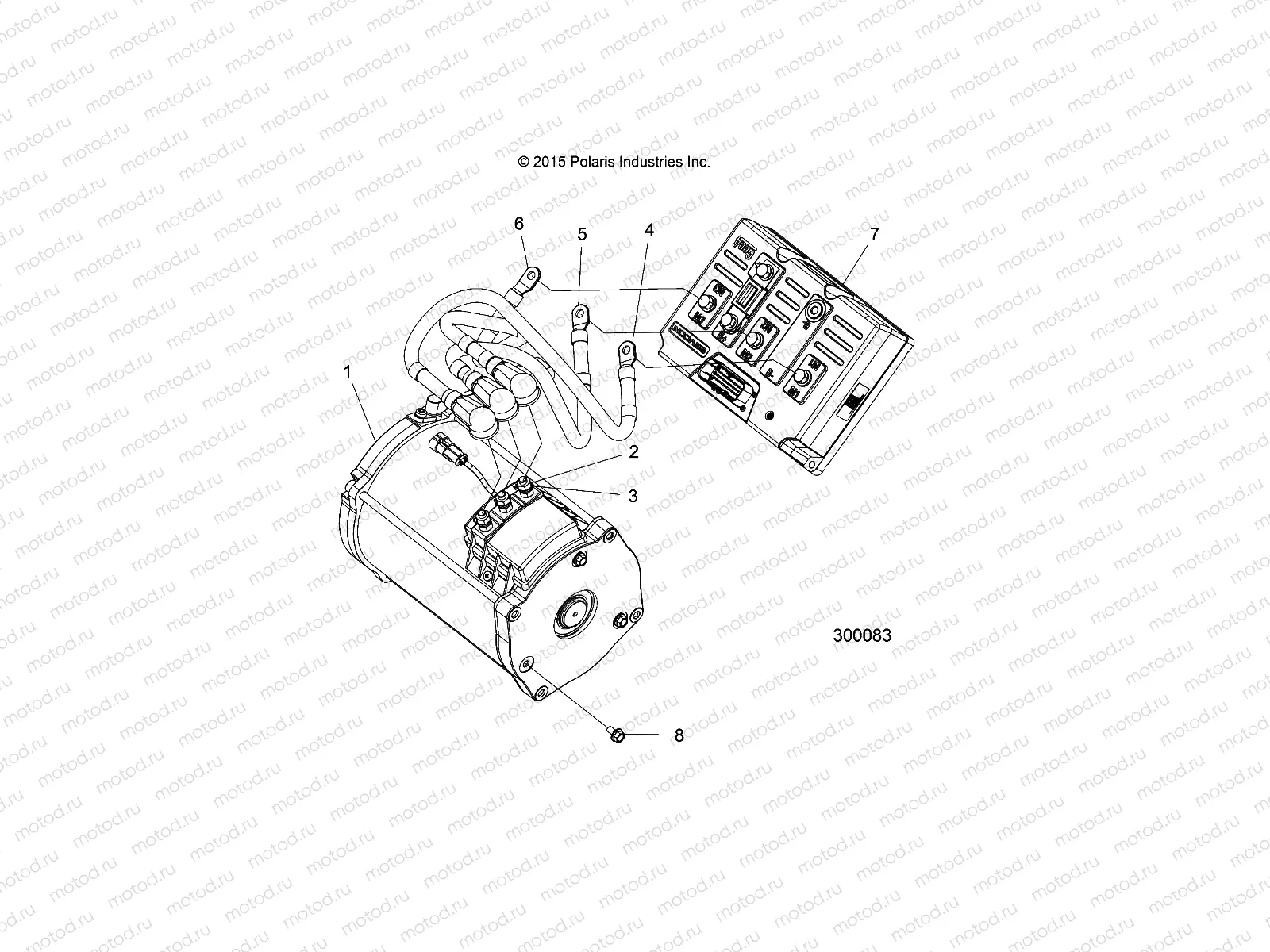
ELECTRICAL | ELECTRICAL, 5KW MOTOR, STANDARD - L22G2AEALA/4AEALA (300083)

ELECTRICAL | ELECTRICAL, 5KW MOTOR, STANDARD - L22G2AEALA/4AEALA (300083)
1
4016654
SENSOR-SPEED MOTOR
Цена по
запросу
1
2414141
ASM-MOTOR,AC,5KW
Цена по
запросу
2
3022854
NUT-MOTOR (27013)
Цена по
запросу
3
3022855
WASHER-MOTOR (27012)
Цена по
запросу
4
4017720
CABLE-MOTOR U M1
Цена по
запросу
5
4017721
CABLE-MOTOR V M2
Цена по
запросу
6
4017722
CABLE-MOTOR W M3
Цена по
запросу
7
4015643
CNTRLR-MOTOR SIZE4 UNPROG
Цена по
запросу
8
7519145
SCR-HXFL-M6X1.0X12 8.8 ZOD P30
Цена по
запросу

Узлы для