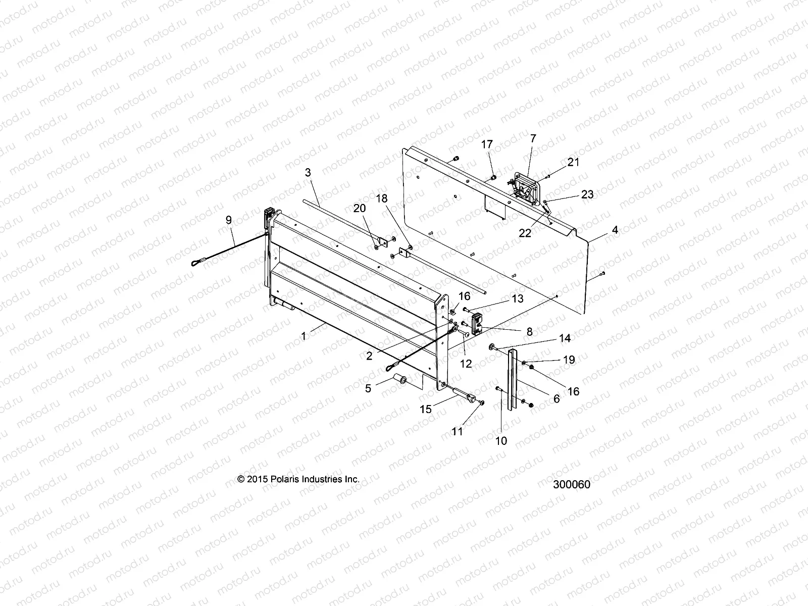
BODY | BODY, TAILGATE, HINGED - L22G2DEALA (300060)

BODY | BODY, TAILGATE, HINGED - L22G2DEALA (300060)
1
WELD-TAILGATE,M.BLK
Цена по
запросу
1
1022528
ASM-TAILGATE HINGED
Цена по
запросу
1
7185017
DECAL-TAILGATE LIMIT BED
Цена по
запросу
2
5136905
SPACER-.265IDX.375ODX.105
Цена по
запросу
3
5140147
ROD-TAILGATE
Цена по
запросу
4
5261706
BRKT-SKIN
Цена по
запросу
5
LR--
CALIPER, BRAKE, RH
Цена по
запросу
6
5511042
BRKT-CHANNEL REAR
Цена по
запросу
7
7081380
LATCH-PADDLE TAILGATE
Цена по
запросу
8
7081568
LATCH-SLAM TAILGATE
Цена по
запросу
9
7082076
CABLE-TAILGATE
Цена по
запросу
10
7518546
Vis
Цена по
запросу
11
7518936
SCR-M6X1X16 TR/TX-M
Цена по
запросу
12
7519001
SCR-M6X1X40 TR/TX-M
Цена по
запросу
13
7519205
SCR-#14X3/4 HI/LO-PH-PN TRX-M
Цена по
запросу
14
7519942
SCR-TXTH-M6X1.0X25 RIE SHDR
Цена по
запросу
15
7520316
PIN-TAILGATE MOUNT
Цена по
запросу
16
7547332
NUT-M8X1.25 FLG NYLOC-OLIVE D
Цена по
запросу
17
7547789
NUT-RIVNUT M6X1.00
Цена по
запросу
18
7555748
Rondelle
Цена по
запросу
19
7558203
Rondelle
Цена по
запросу
20
7558301
WASHER FLAT
Цена по
запросу
21
7621323
POP RIVET
Цена по
запросу
22
7661644
PIN HITCH
Цена по
запросу
23
7662113
RVT-BLND 3/16 3/8HD 1/4-3/8
Цена по
запросу

Узлы для