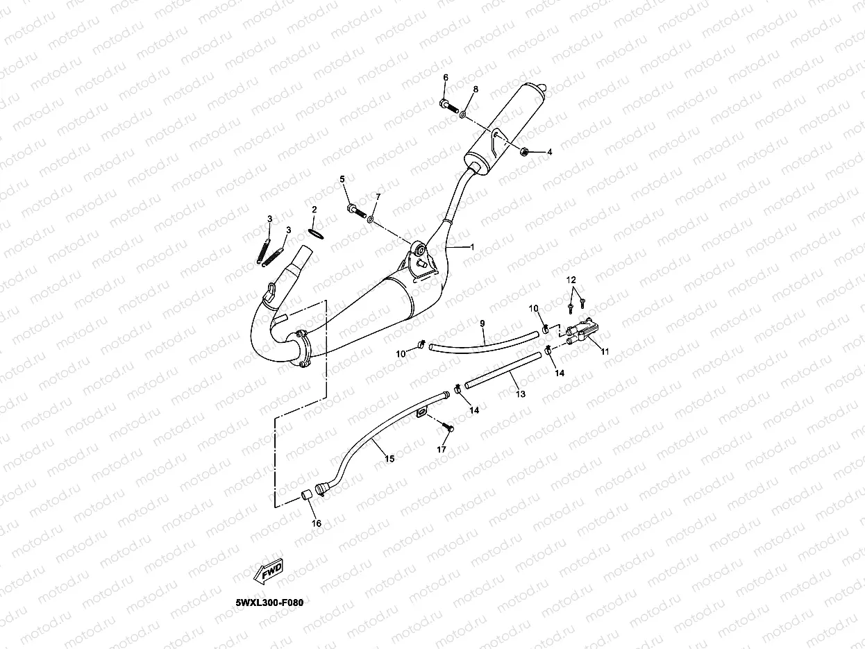
ECHAPPEMENT

ECHAPPEMENT
1
5WX-E4703-21
xhaust
2
93210-25X00
pc - O-Ring
3
90506-18856
pc - Spring
4
9570M-08500
Nut, Flange
149 ₽
5
9582M-08035
Bolt
85 ₽
6
9582M-08016
Vis
7
9290M-08600
Rondelle
8
90201-08X08
Шайба
101 ₽
9
5WX-E4874-00
PIPE 4
10
90468-08104
Хомут самозажимной
175 ₽
11
5WX-E4803-00
AIR INDUCTION SYSTEM ASSY
12
9850M-06012
Винт
140 ₽
13
5WX-E4873-10
PIPE 3
14
90468-08104
Хомут самозажимной
175 ₽
15
5WX-E4872-00
PIPE 2
16
4KM-14714-01
Втулка уплотнительная
1 399 ₽
17
9581L-06012
pc - Vis

Узлы для