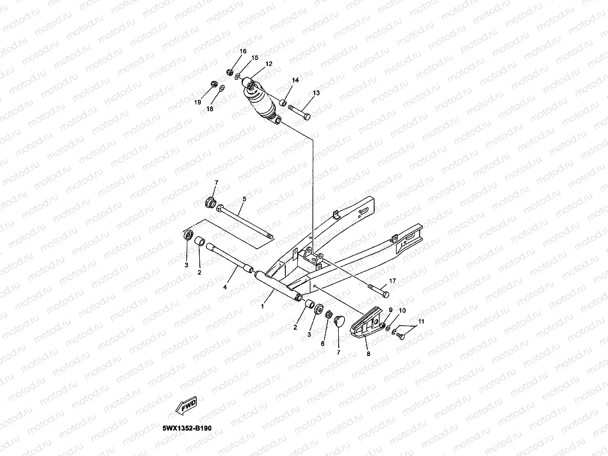
BRAS ARRIERE & SUSPENSION

BRAS ARRIERE & SUSPENSION
1
5WX-F2110-02-98
Rear arm
Цена по
запросу
2
93315-31841
Подшипник
2 496 ₽
3
2RN-F2128-00
COVER, THRUST 1
Цена по
запросу
4
4BA-F2184-00
USH
Цена по
запросу
5
29N-22141-00
Вал, поворотный
2 368 ₽
6
95607-12200
Гайка
985 ₽
7
4BA-F139W-00
Couvrir
Цена по
запросу
8
4YV-F2151-00
Guard chain sliding shoe
Цена по
запросу
9
90387-06869
Entretoise
Цена по
запросу
10
90201-06815
Rondelle
Цена по
запросу
11
9750M-06416
Vis
Цена по
запросу
12
5WX-F2210-10
Amortisseur arrière
Цена по
запросу
13
90109-10833
Vis
Цена по
запросу
14
90387-128E2
ntretoise
Цена по
запросу
15
90209-10229
Шайба
191 ₽
16
90185-10091
Гайка самоконтрящаяся
509 ₽
17
90101-12002
Болт
747 ₽
18
90201-12X02
Rondelle
Цена по
запросу
19
95617-12100
Гайка
302 ₽

Узлы для