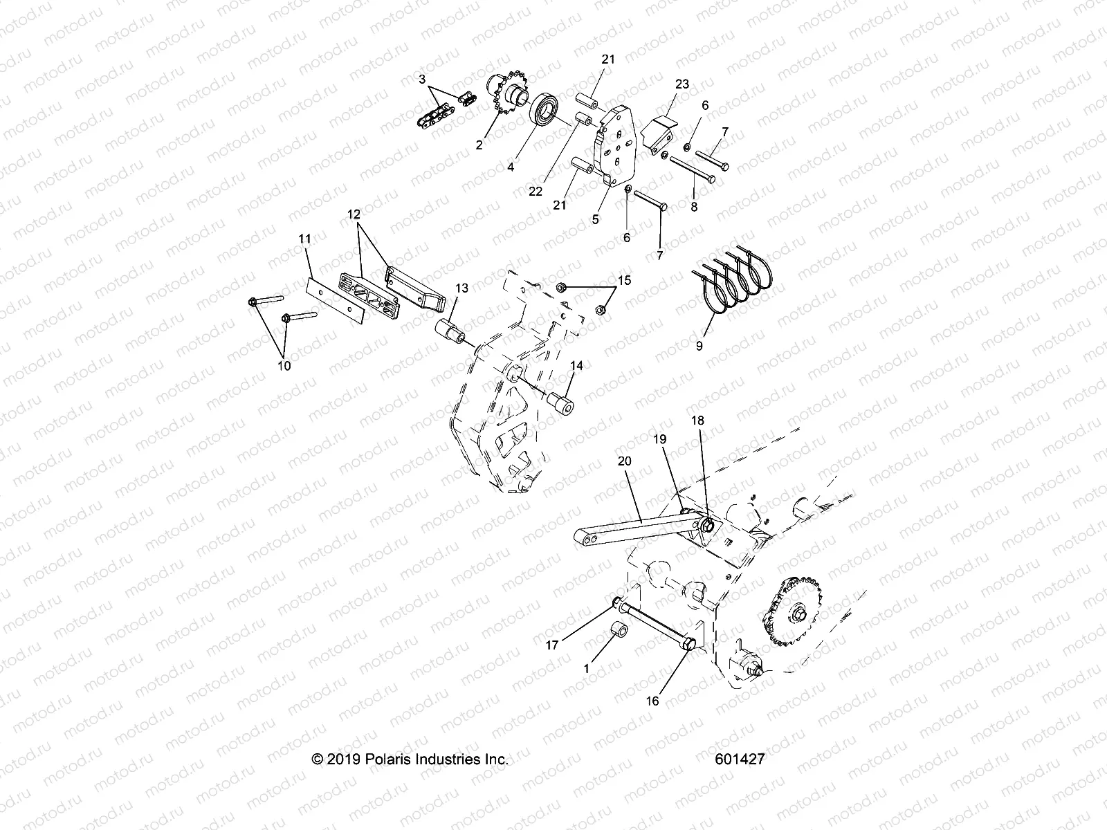
DRIVE TRAIN | DRIVE TRAIN, FIT KIT (FOR YAMAHA®) - J22RTAXXXA (601427)

DRIVE TRAIN | DRIVE TRAIN, FIT KIT (FOR YAMAHA®) - J22RTAXXXA (601427)
0
2883778
K-INSTALL RIPPER YAMAHA
Цена по
запросу
1
5141220
SPACER-RIPPER YAMAHA
Цена по
запросу
2
1333888-329
WELD-DRIVE SPROCKET YAMAHA ECOAT
Цена по
запросу
3
3222273
CHAIN-420 RIPPER
Цена по
запросу
3
3222342
LINK-HALF 420 CHAIN
Цена по
запросу
3
3222285
LINK-MASTER 420 CHAIN
Цена по
запросу
4
3514549
BEARING BALL 47X25X12 6005-2RS
Цена по
запросу
5
1333889
ASM-BACKER PLATE YAMAHA
Цена по
запросу
6
7557064
WSHR-M6 SPLIT LOCK ZPC
Цена по
запросу
7
7520728
SCR-HH-M6 X 1.0 X 55 ZPC
Цена по
запросу
8
7521016
SCR-HH-M6 X 1.0 X 80 ZPC
Цена по
запросу
9
7081504
PANDUIT-NYLON 6/6 4.7 MM BLK
Цена по
запросу
10
7519948
Vis
Цена по
запросу
11
5264330-458
PLATE-FORK TUBE CLAMP MBLK
Цена по
запросу
12
5455474
CLAMP-FORK TUBE RIPPER
Цена по
запросу
13
5141393
RDCR-SPINDLE RIPPER YAM RH
Цена по
запросу
14
5141394
RDCR-SPINDLE RIPPER YAM LH
Цена по
запросу
15
7547332
NUT-M8X1.25 FLG NYLOC-OLIVE D
Цена по
запросу
16
SCREW-7/16x6.5
Цена по
запросу
17
7542525
NUT NYLOK
Цена по
запросу
18
7518971
SCR-M10X1.5X50 8.8 HX/FL ZOD
Цена по
запросу
19
7547423
NUT-M10X1.5 HFN NYLOC ZOD
Цена по
запросу
20
5141221
STRUT-FIXED RIPPER 260MM
Цена по
запросу
21
5142451
SPACER-BACKER RIPPER YAM LONG
Цена по
запросу
22
5142452
SPACER-BACKER RIPPER YAM SHRT
Цена по
запросу
23
5266675
BRKT-CHAIN GUARD RIPPER YAM
Цена по
запросу

Узлы для