CHASSIS | CHASSIS, CHASSIS ASM. - J22RTAXXXA (600922)

CHASSIS | CHASSIS, CHASSIS ASM. - J22RTAXXXA (600922)
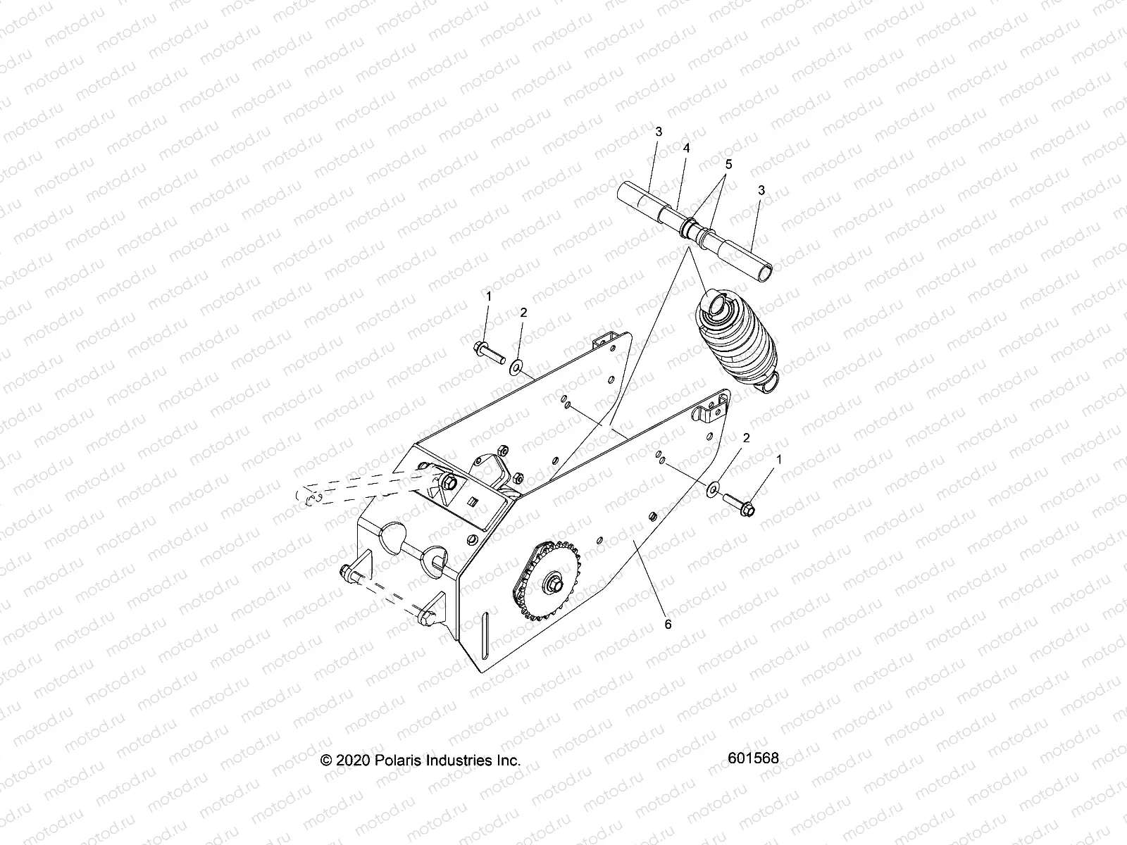
1
7521118
SCR-HXFL M10X1.5X40 10.9 ZB P8
Цена по
запросу
2
7556545
WSHR-10.5X24X1.2446 ZOD
Цена по
запросу
3
SPACER-SHOCK CENTERING RIPPER
Цена по
запросу
4
5141097
SHAFT-UPPER SHOCK CROSS
Цена по
запросу
5
5456031
BUSHING-SHOCK FLANGED
Цена по
запросу
6
1024175-329
WELD-FRAME RIPPER 93 ECOAT
Цена по
запросу

Узлы для