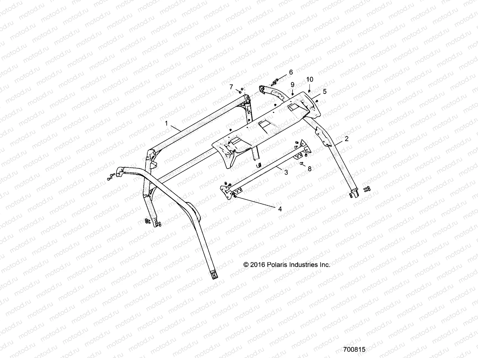
CHASSIS | CHASSIS, CAB FRAME - R18RGE99BM/BB/B7/KBS/UB9/UBG (700815)

CHASSIS | CHASSIS, CAB FRAME - R18RGE99BM/BB/B7/KBS/UB9/UBG (700815)
1
1021283-458
WELD-ROPS REAR BLK
Цена по
запросу
2
1021278-458
WELD-ROPS FRONT LH BLK
Цена по
запросу
2
1021279-458
WELD-ROPS FRONT RH BLK
Цена по
запросу
3
1024311-458
WELD-ROPS FRT SUPPORT SLTD BLK
Цена по
запросу
4
7547674
NUT-M6-1.0 U-TYPE (2.5-3.8)(10
Цена по
запросу
5
2207140
K-PANEL VISOR
Цена по
запросу
6
7519906
SCR-HXFL-M10X1.5X45 10.9 RIE
Цена по
запросу
7
7547746
NUT-HEX-M10X1.5 10 ZB3 NYL
Цена по
запросу
8
7519905
SCR-HXFL-M10X1.5X20 10.9 RIE P
Цена по
запросу
9
7518936
SCR-M6X1X16 TR/TX-M
Цена по
запросу
10
7519650
SCR-TXTH-M6X1.0X25 RIE
Цена по
запросу

Узлы для