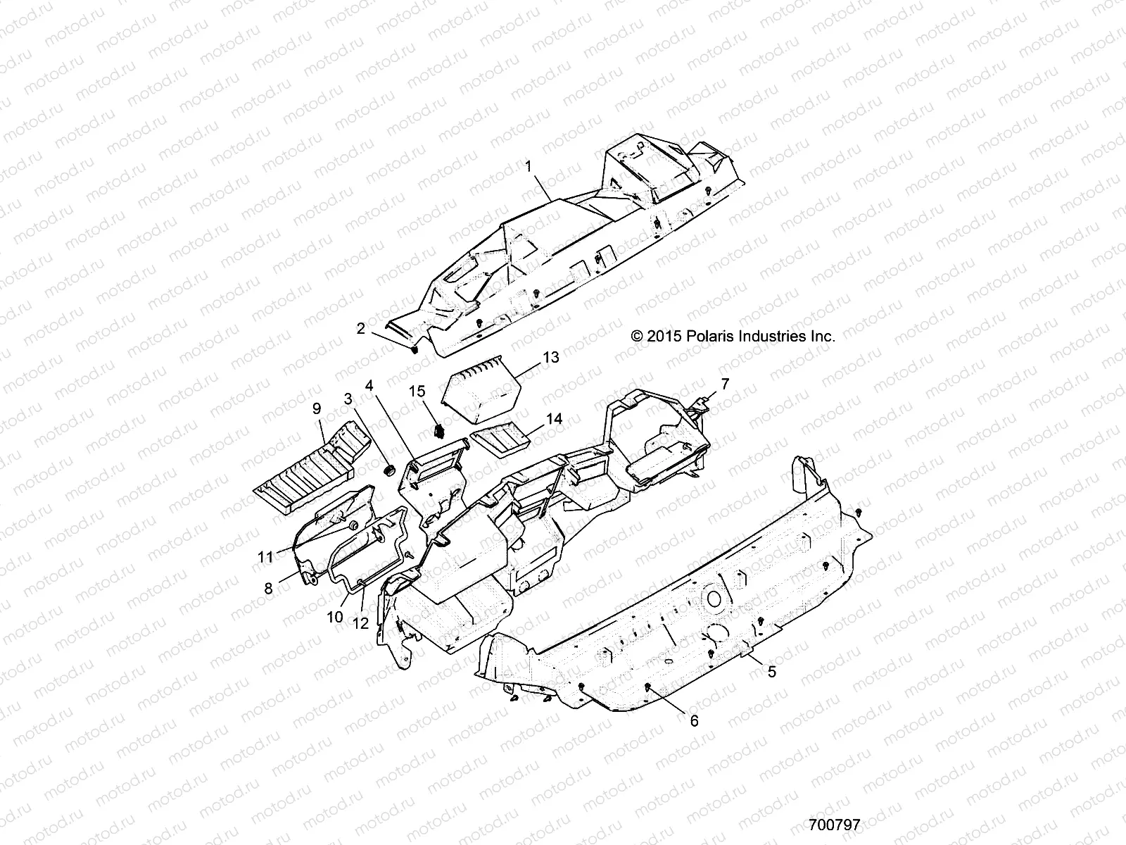
BODY | BODY, DASH - R18RGE99BM/BB/B7/KBS/UB9/UBG (700797)

BODY | BODY, DASH - R18RGE99BM/BB/B7/KBS/UB9/UBG (700797)
1
2636179-070
ASM-DASH UPPER CLIP BLK
Цена по
запросу
2
7670136
CLIP-TINNERMAN D98640-051M
Цена по
запросу
3
5452552
PLUG-TUBE 25.4MM
Цена по
запросу
4
2636379-070
ASM-PNL CONSOLE CNTRLS BLK
Цена по
запросу
5
5453313-070
PANEL-FLOOR UPPER FRONT BLK
Цена по
запросу
6
7661855
RIVET-TUFLOK .315-.325X.787 (5
Цена по
запросу
7
5453348-070
DASH-CARRIER MAIN BLK
Цена по
запросу
8
5452198-070
DOOR-GLOVEBOX BLK
Цена по
запросу
9
5416077
TRAY-DASH RH
Цена по
запросу
10
5522124
SEAL-GLOVEBOX
Цена по
запросу
11
5412504
GROMMET-RUBBER MOUNT 25
Цена по
запросу
12
7519650
SCR-TXTH-M6X1.0X25 RIE
Цена по
запросу
13
5452197-070
DASH-STORAGE CENTER BLK
Цена по
запросу
14
5416076
TRAY-DASH LH
Цена по
запросу
15
5434192
PLUG-HOLE CARLING ROCKER SWTCH
Цена по
запросу

Узлы для