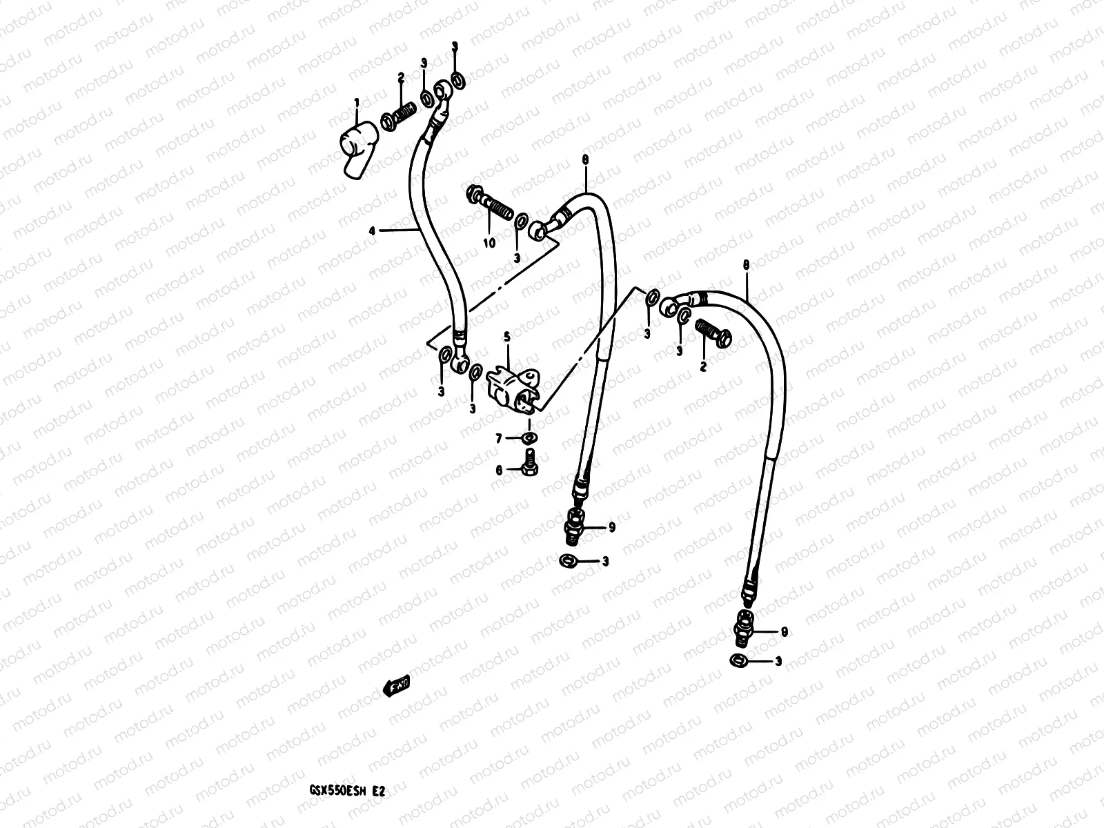
62 - FRONT BRAKE HOSE

62 - FRONT BRAKE HOSE
1
59711-49001
BOOT,MASTER CYLINDER
606 ₽
2
09360-10061
Болт соединяющий
3 910 ₽
3
09161-10009
Шайба
113 ₽
4
59480-33202
Цена по
запросу
5
59491-45001
JOINT,BRAKE HOSE
2 307 ₽
6
01500-06207
Болт
81 ₽
7
08321-01067
Шайба, стопорная
81 ₽
8
59240-43410
Hose,brake no.2 (l:420)
Цена по
запросу
9
59290-43500
ADAPTER,BRAKE HOSE
2 502 ₽
10
09360-10018
Болт соединяющий
4 570 ₽

Узлы для