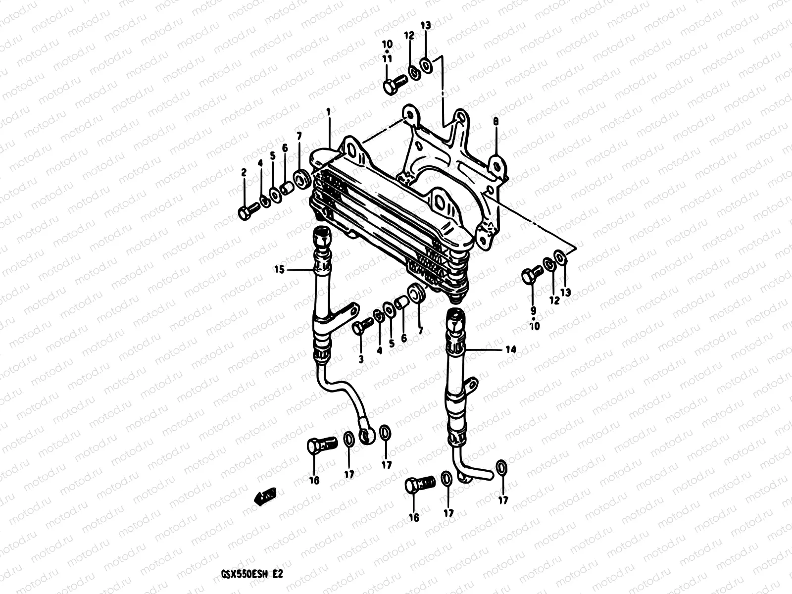
14 - OIL COOLER

14 - OIL COOLER
1
16600-34310
Cooler assy,engine oil
Цена по
запросу
2
09118-06086
Болт 6X25
1 680 ₽
3
09100-06110
Bolt (6x22)
Цена по
запросу
4
08321-0106A
Шайба
81 ₽
5
09160-06109
Шайба
85 ₽
6
09180-06310
SPACER
178 ₽
7
09320-10015
САЙЛЕНТБЛОК
226 ₽
8
16620-43400
Bracket,oil cooler
Цена по
запросу
12
08321-0108B
Пластина замка
81 ₽
13
08322-0108A
Шайба
85 ₽
14
16460-43400
Hose,oil cooler lh
Цена по
запросу
15
16470-43400
Hose,oil cooler rh
Цена по
запросу
16
09360-14005
Bolt,union
Цена по
запросу
17
09168-14011
Прокладка
255 ₽

Узлы для