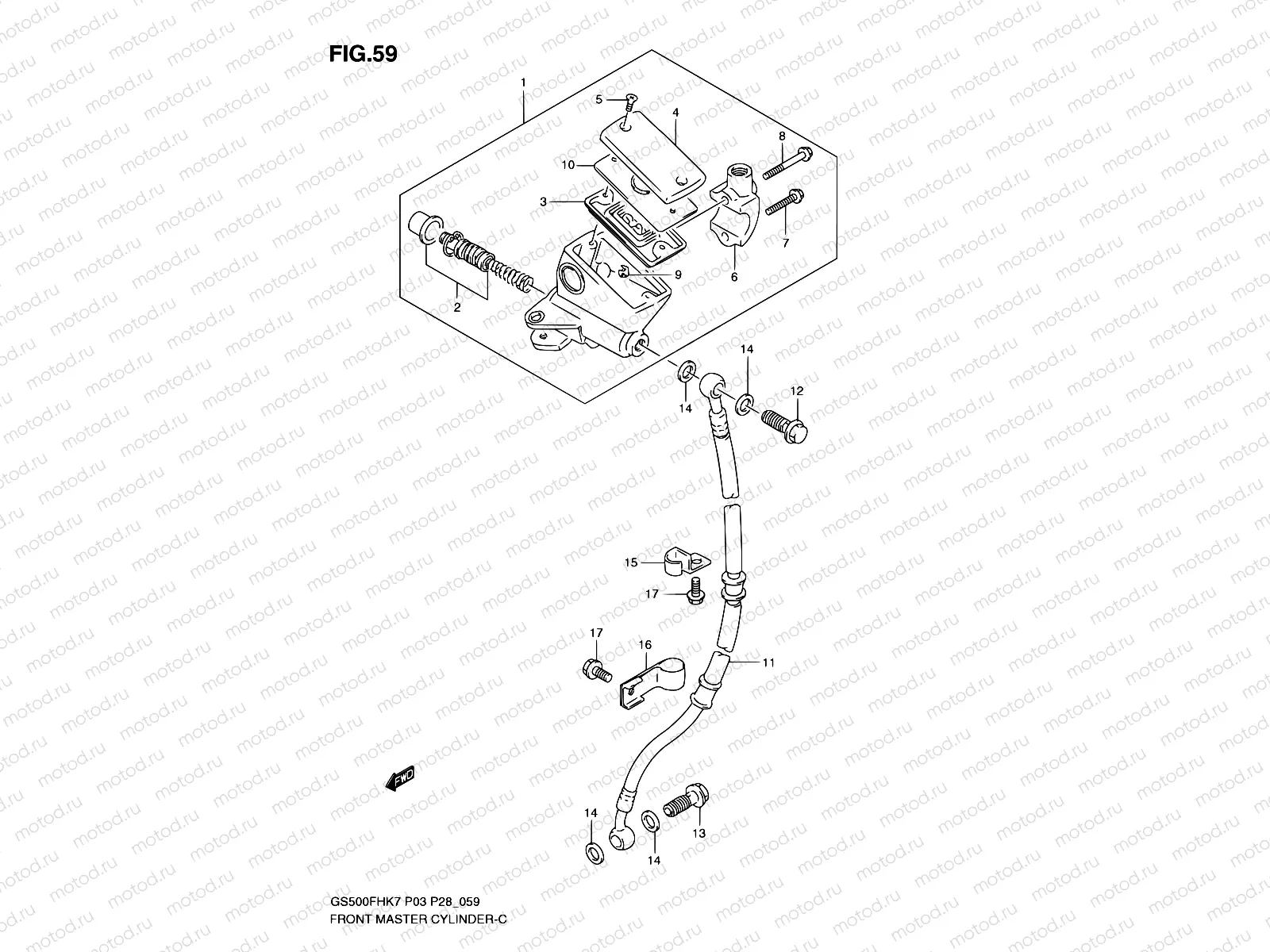
59 - FRONT MASTER CYLINDER (GS500H)

59 - FRONT MASTER CYLINDER (GS500H)
1
59600-45C10
YLINDER ASSY,FR MASTER
34 680 ₽
2
59600-0AE00
Piston/cup set
8 042 ₽
3
59667-49460
ДИАФРАГМА ЦИЛИНДРА ТОРМОЗНОГО
1 870 ₽
4
59669-41C00
AP
2 618 ₽
5
69689-49300
Винт
162 ₽
6
59671-44300
HOLDER
989 ₽
7
01547-0625B
БОЛТ
97 ₽
8
59675-19C10
BOLT(6X38)
270 ₽
9
59664-02E10
Protector
Цена по
запросу
10
59668-41C00
КРЫШКА БАЧКА ТОРМОЗНОЙ ЖИДКОСТИ
561 ₽
11
59480-01DA0
Hose, front brake
6 931 ₽
12
09360-10061
Болт соединяющий
3 910 ₽
13
09360-10062
Болт соединяющий
469 ₽
14
09161-10009
Шайба
113 ₽
15
59268-01D01
Струбцина шланга
504 ₽
16
59268-45D00
Струбцина шланга
622 ₽
17
D1557-0616B
Болт
62 ₽

Узлы для