26 - SPEEDOMETER - TACHOMETER (GS500H P28, P95)

26 - SPEEDOMETER - TACHOMETER (GS500H P28, P95)
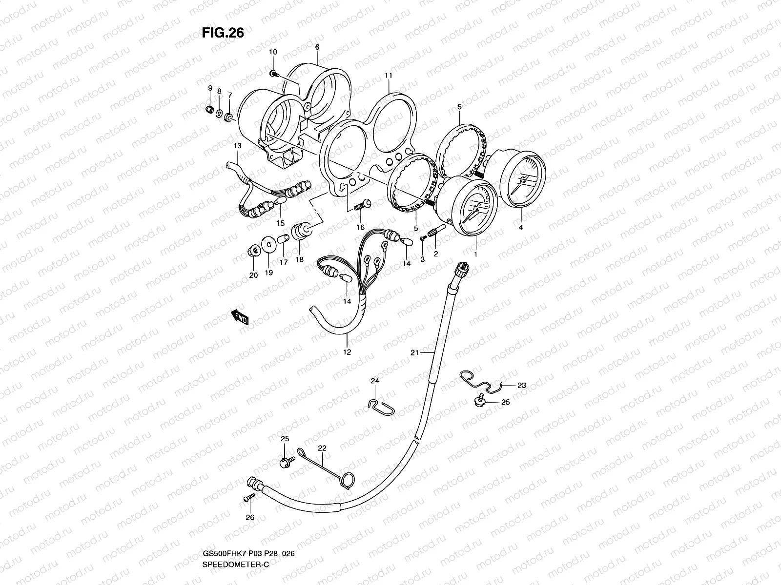
1
34110-01DA0
СП
33 431 ₽
2
34124-01DA0
KNOB
633 ₽
3
09139-02003
Болт
940 ₽
4
34210-01DA0
ТАХОМЕТР
32 649 ₽
5
34288-01D20
Амортизатор
606 ₽
6
34193-01DC0
OVER ASSY
8 159 ₽
7
34189-01DA0
SETTING RUBBER
317 ₽
8
09160-05013
Шайба
81 ₽
9
08313-1005A
Гайка
1 090 ₽
10
02112-3408A
Болт
85 ₽
11
34950-01DA0
Bracket meter
Цена по
запросу
12
34170-01DB0
SOCKET
3 617 ₽
13
34170-01DE0
CORD ASSY,NO.1
4 066 ₽
14
09471-12077
BULB(12V1.7W,T10,WB121)
1 990 ₽
15
09471-12108
ЛАМПА НАКАЛИВАНИЯ
226 ₽
16
09107-06003
BOLT(6X30)
1 680 ₽
17
09180-06159
SPACER(6.4X9X17)
2 500 ₽
18
34956-31001
CUSHION,METER BRACKET
501 ₽
19
09160-06136
Шайба
102 ₽
20
08310-0006B
Гайка
81 ₽
21
34910-01D11
Cable Assy,speedometer
2 639 ₽
22
34938-45100
CLAMP,SPEEDOMETER CABLE
254 ₽
23
34938-01D01
GUIDE,SPEEDOMETER CABLE NO.2
465 ₽
24
34938-01D10
GUIDE,SPEEDOMETER CABLE NO.3
379 ₽
25
D1557-0616B
Болт
62 ₽
26
02112-0516B
Болт
1 090 ₽

Узлы для