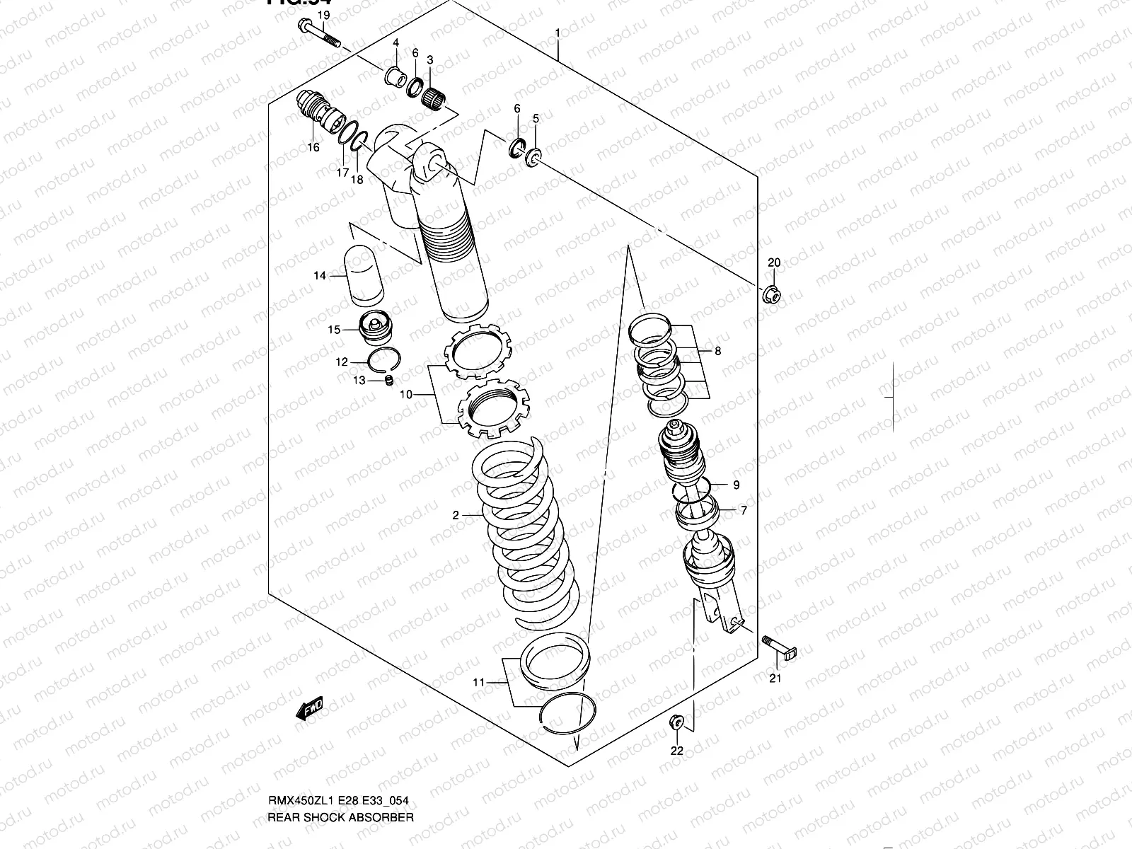
54 - REAR SHOCK ABSORBER (RMX450ZL1 E28)

54 - REAR SHOCK ABSORBER (RMX450ZL1 E28)
1
62100-02J00-YKS
ABSORBER ASSY,RR SHOCK
161 917 ₽
2
62211-37FL0
Пружина
30 694 ₽
2
62211-37FJ0
Пружина
30 694 ₽
2
62211-37FK0
Пружина
30 694 ₽
2
62211-35G30
Пружина
30 694 ₽
2
62211-35G40
Пружина
30 694 ₽
3
09263-16033
BEARING(16X22X12)
1 034 ₽
4
62684-36F00
SPACER,UPPER BRG,R
1 066 ₽
5
62685-36F00
SPACER,UPPER BRG,L
775 ₽
6
09284-16005
SEAL,OIL(16X22X2.5)
436 ₽
7
62120-02J00
ROD,PISTON
80 784 ₽
8
62150-36EB0
O RING SET
4 118 ₽
9
62279-36E80
Кольцо
442 ₽
10
62190-36F00
Комплект регулятора ручки
6 530 ₽
11
62220-36F00
SPRING SEAT SET
2 210 ₽
12
62278-36E00
Кольцо стопорное
493 ₽
13
52194-46686
ЗАГЛУШКА ДЕКОРАТ
422 ₽
14
62273-36E00
BLADDER
3 715 ₽
15
62275-28H30
CAP,CHAMBER
3 578 ₽
16
62130-02J00
BOLT,PLUG
14 115 ₽
17
62131-28E00
O RING
289 ₽
18
51174-36EB0
O RING
293 ₽
19
62311-28H00
BOLT,RR SHOCK ABSORBER UPR
964 ₽
20
09159-10115
Гайка
289 ₽
21
62221-37F30
Болт нижней опоры
399 ₽
22
09159-10067
Гайка, нижняя
3 710 ₽

Узлы для