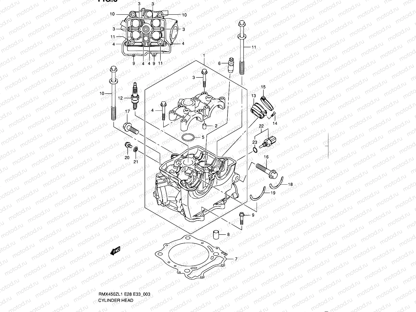
ГБЦ для RMX450Z L1 (E03,E28,E33) SUZUKI

3 - CYLINDER HEAD
1
11100-02J00
HEAD ASSY,CYLINDER
79 288 ₽
2
09206-08001
Стопор
170 ₽
3
09103-06266
BOLT(6X40)
1 330 ₽
4
09103-06293
BOLT(6X45)
1 520 ₽
5
09280-26007
КОЛЬЦО УПЛОТНИТЕЛЬНОЕ
561 ₽
6
11115-45G70
Направляющая клапана
1 785 ₽
7
11141-28H00
Прокладка головки цилиндров
2 503 ₽
8
04211-13189
ШТИФТ
129 ₽
9
07120-0625A
БОЛТ
97 ₽
10
11117-28H00
BOLT,CYLINDER HEAD(L:140)
978 ₽
11
11161-45G00
Болт головки цилиндра
590 ₽
13
13101-02J01
Pipe Assy,intake
4 027 ₽
14
02122-0616B
Болт
85 ₽
15
13170-35G01
CLAMP,INTAKE PIPE
867 ₽
16
Цена по
запросу
17
09103-10359
BOLT(10X30)
2 310 ₽
18
12749-35G01
КОЛЬЦО УПЛОТНИТЕЛЬНОЕ
250 ₽
19
12749-10H00
Кольцо стопорное
285 ₽
20
07120-0610B
БОЛТ
97 ₽
21
09168-06023
ПРОКЛАДКА
162 ₽
22
13650-14G00
Датчик температуры воды
2 746 ₽
23
13655-14G00
O RING
339 ₽

Узлы для