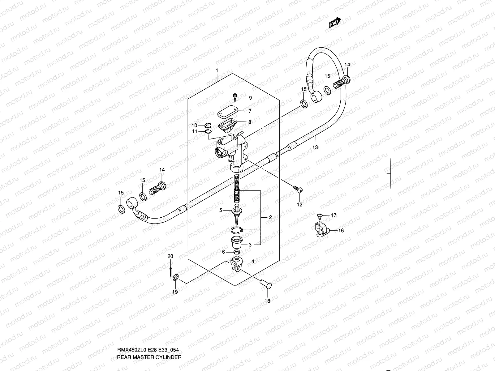
54 - REAR MASTER CYLINDER

54 - REAR MASTER CYLINDER
1
69604-28H00
CYLINDER ASSY,RR MASTER
25 024 ₽
2
69600-35811
PISTON/CUP SET
2 952 ₽
3
69691-00A00
Ботинок
275 ₽
4
69692-35G00
Ботинок
1 200 ₽
5
69670-28H00
Штанга
1 474 ₽
6
51212-77500
Гайка
352 ₽
7
69669-37F20
CAP
2 737 ₽
8
69667-37F20
DIAPHRAGM
868 ₽
9
69689-37F30
Болт
227 ₽
10
59748-36E00
Сепаратор
595 ₽
11
69744-36E00
RING
170 ₽
12
09139-06139
БОЛТ
170 ₽
13
69480-28H02
ose
7 859 ₽
14
09360-10065
Болт соединяющий
4 460 ₽
15
09161-10009
Шайба
113 ₽
16
61196-27C50
Guide,rr brake
Цена по
запросу
17
02142-0510A
Болт
82 ₽
18
09200-08048
PIN(8X20)
114 ₽
19
09160-08090
Шайба
1 450 ₽
20
04111-2015A
Штифт
81 ₽

Узлы для