21 - KICK STARTER

21 - KICK STARTER
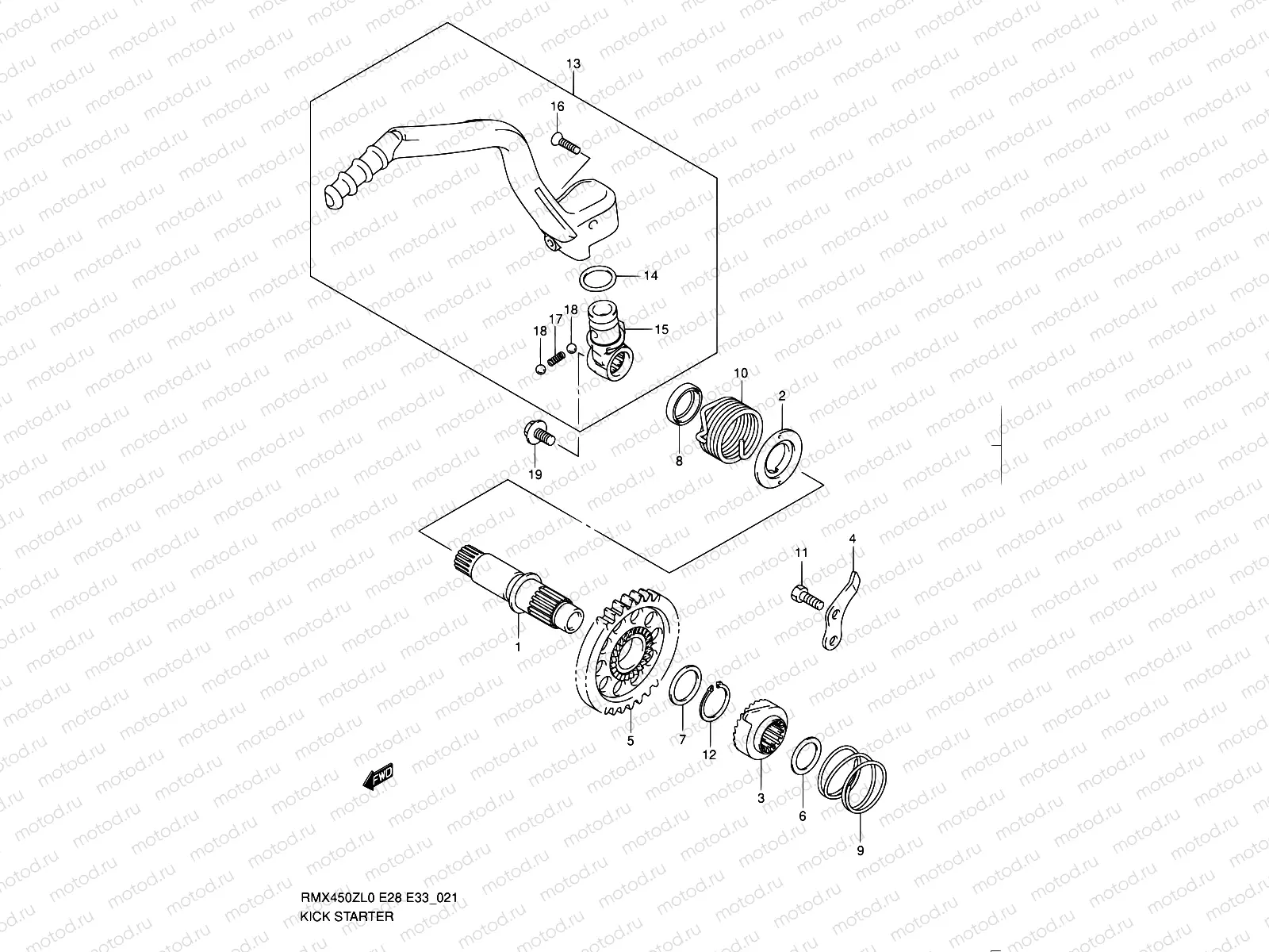
1
26211-28H00
Вал кик-стартера
6 205 ₽
2
26221-35G00
UIDE,KICK STARTER SFT SPRING
258 ₽
3
26231-28H00
STARTER,KICK
3 128 ₽
4
26232-28H00
GUIDE,KICK STARTER
368 ₽
5
26240-35G00
EAR,KICK STARTER DRIIVE
7 859 ₽
6
09181-17130
SHIM(17X24X0.5)
1 800 ₽
7
09181-20139
SHIM(20X26X1)
194 ₽
8
09283-20031
SEAL,OIL(20X27X5)
339 ₽
9
09440-32002
Пружина прижимная, храповика
179 ₽
10
09448-38007
Возвратная пружина
595 ₽
11
01500-0612B
Болт
1 210 ₽
12
08331-3120A
CIRCLIP
146 ₽
13
26300-28H21
Lever Assy,kick Starter
14 467 ₽
14
26313-28E21
O Ring,kick Starter
170 ₽
15
26331-28H20
JOINT,KICK STARTER LEVER
12 665 ₽
16
09127-06016
Болт
102 ₽
17
09440-05031
Пружина
97 ₽
18
06111-07004
Шарик-защёлка №1
81 ₽
19
09103-08522
BOLT (8X14)
2 580 ₽

Узлы для