53 - REAR MASTER CYLINDER (MODEL M/N)

53 - REAR MASTER CYLINDER (MODEL M/N)
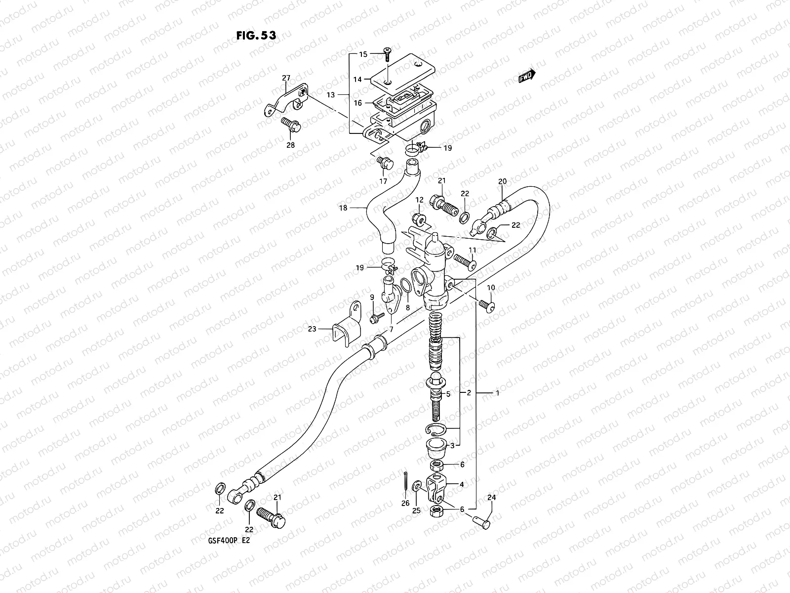
1
69600-10D01
CYLINDER ASSY,RR MASTER
19 941 ₽
2
69600-04821
Piston/Cup Set
3 740 ₽
3
69691-00A00
Ботинок
275 ₽
4
69692-27A30
Ботинок
1 066 ₽
5
69670-10D01
STANG
Цена по
запросу
6
69693-05A00
Гайка
162 ₽
7
69672-05A00
Коннектор
387 ₽
8
69686-34200
Кольцо уплотнительное
162 ₽
9
02112-7412A
Болт
97 ₽
10
09139-06030
Винт (6X16)
194 ₽
11
09139-06042
Болт
194 ₽
12
08319-31067
Гайка
153 ₽
13
69740-10D00
TANK ASSY,RR RESERVOIR
30 473 ₽
14
59668-41C00
КРЫШКА БАЧКА ТОРМОЗНОЙ ЖИДКОСТИ
561 ₽
14
59669-41C00
AP
2 618 ₽
15
69689-49300
Винт
162 ₽
16
59667-49460
ДИАФРАГМА ЦИЛИНДРА ТОРМОЗНОГО
1 870 ₽
17
01550-0612B
БОЛТ
81 ₽
18
69731-10D00
HOSE,RESERVOIR TANK
1 932 ₽
19
09400-16306
Clamp
Цена по
запросу
20
69480-10D10
urite de frein
Цена по
запросу
21
09360-10061
Болт соединяющий
3 910 ₽
22
09161-10009
Шайба
113 ₽
23
69243-10D00
Guide, brake hose
Цена по
запросу
24
09200-06068
Вал ручки
226 ₽
25
08322-0106A
Шайба
81 ₽
26
04111-2015A
Штифт
81 ₽
27
69780-10D00
PLATE,RR RESERVOIR TANK
Цена по
запросу
28
01550-0616B
БОЛТ
81 ₽

Узлы для