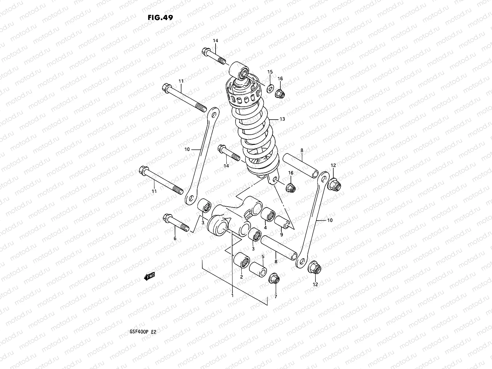
49 - REAR CUSHION LEVER

49 - REAR CUSHION LEVER
1
62600-33871
Lever set,rr cu
2
09263-20120
Bearing(20X27X26)
1 421 ₽
3
09263-17053
Подшипник
1 147 ₽
4
09263-17057
Bearing
1 324 ₽
5
62684-01D00
SPACER,RR CUSHION LEVER FR
969 ₽
6
62668-42A02
BOLT,CUSHION LEVER
551 ₽
7
08319-3112A
Гайка
211 ₽
8
09180-12122
SPACER(12X17X85)
1 550 ₽
9
62684-40A10
SPACER,RR CUSHION LEVER
646 ₽
10
62641-32C00
STANG
11
09103-12037
BOLT(12X115)
8 640 ₽
12
08319-3112A
Гайка
211 ₽
13
62100-10D12
ABSORBER ASSY,RR SHOCK
54 230 ₽
13
62100-10D52
Amortisseur arrière
13
62100-10DB0
Absorber assy, rear shock
13
62100-10DB1
Absorber assy, rear shock
14
09103-10197
Vis
15
08322-0110B
Шайба
85 ₽
16
08319-3110B
Гайка
1 920 ₽

Узлы для