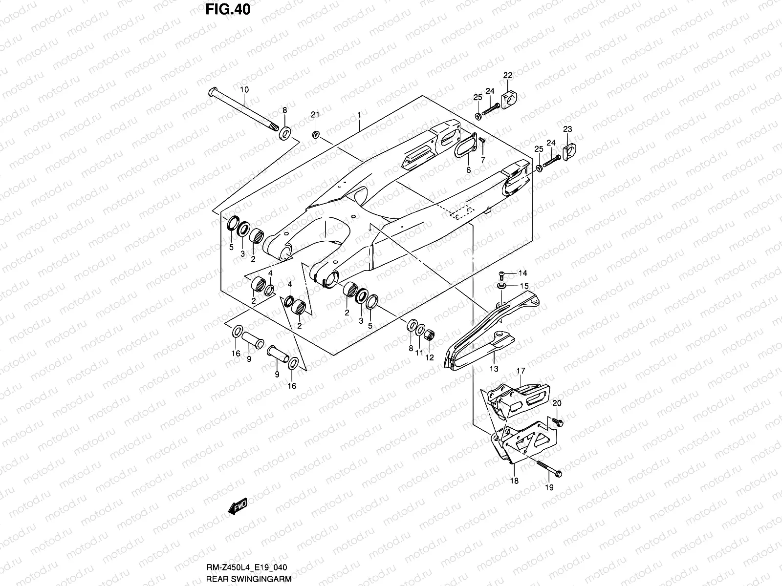
40 - REAR SWINGINGARM

40 - REAR SWINGINGARM
1
61000-28H20
SWINGINGARM ASSY,RR
118 558 ₽
2
09263-22070
BEARING(22X29X15)
986 ₽
3
09263-22064
ПОДШИПНИК ВЫЖИМНОЙ
1 324 ₽
4
09285-22006
Seal,oil
226 ₽
5
61262-36E00
SEAL,RR SWGARM PIVOT OUTER
388 ₽
6
61128-28H30
PLATE, SWGARM REAR
1 173 ₽
7
09120-05003
SCREW(5X10)
97 ₽
8
61251-36E01
SPACER,RR SWGARM PIVOT OUTER
748 ₽
9
61252-37F01
SPACER,SWGARM PIVOT INNER
1 530 ₽
10
61211-35G00
SHAFT,RR SWINGINGARM PIVOT
4 457 ₽
11
08322-0116B
Шайба
82 ₽
12
09159-16007
ШАЙБА
7 740 ₽
13
61273-35G10
BUFFER,CHAIN TOUCH DEFENSE
3 995 ₽
14
02112-0508A
Винт №1
85 ₽
15
09169-05022
Шайба
2 150 ₽
16
08211-22365
WASHER
2 850 ₽
17
61341-35G10
Направляющая chain
5 185 ₽
18
61342-37F00
PLATE,CHAIN GUIDE
3 145 ₽
19
09103-06242
BOLT(6X45)
2 190 ₽
20
09103-06233
БОЛТ
1 250 ₽
21
08316-1006B
Гайка
81 ₽
22
61445-28H11
WASHER,CHAIN ADJUSTER,R
5 593 ₽
23
61446-35G01
WASHER,CHAIN ADJUSTER,L
1 190 ₽
24
09100-08287
BOLT(8X50)
162 ₽
25
09159-08034
Гайка
162 ₽

Узлы для