3 - CYLINDER HEAD

3 - CYLINDER HEAD
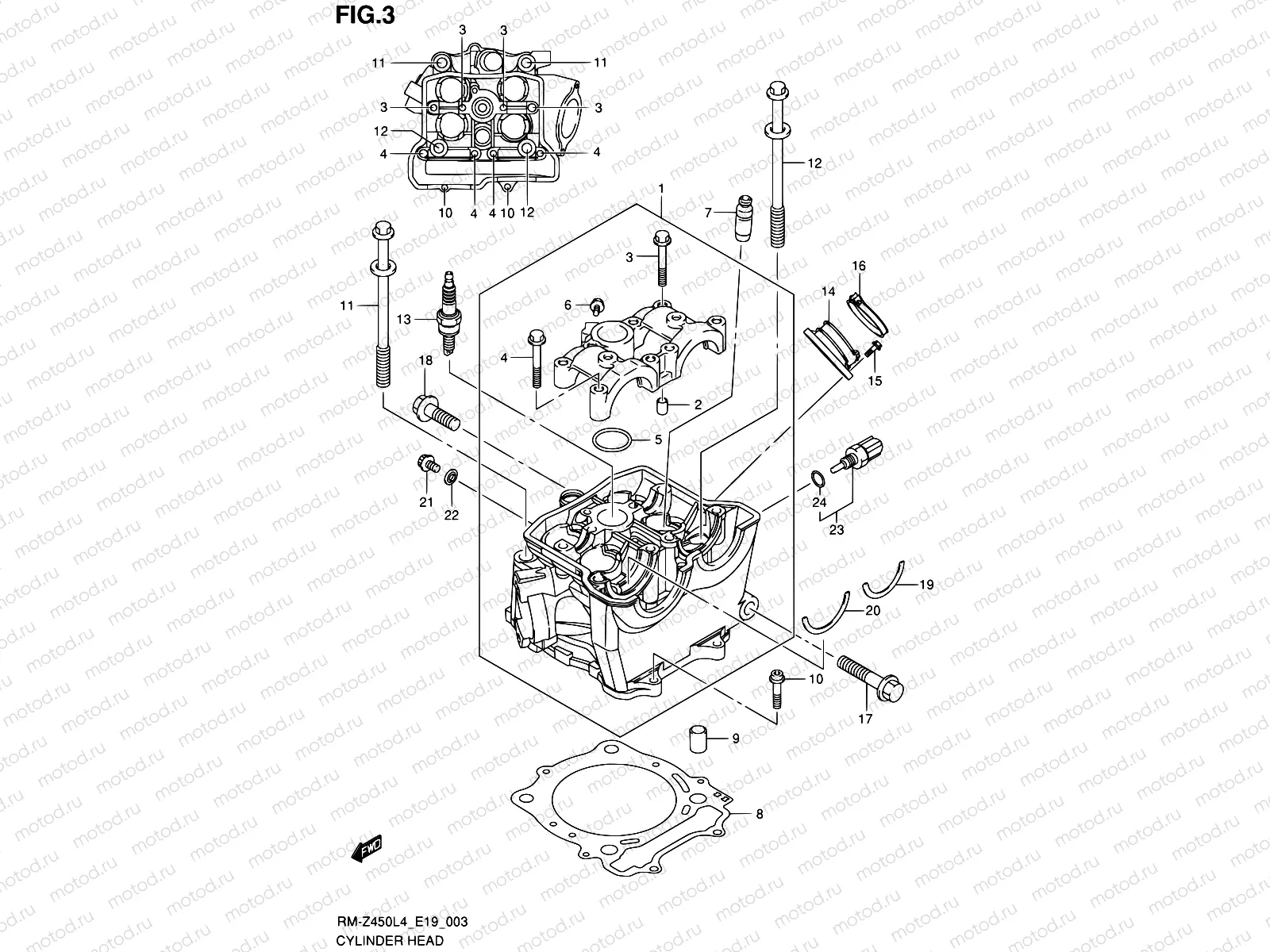
1
11100-28H12
EAD ASSY,CYLINDER
79 288 ₽
2
09206-08001
Стопор
170 ₽
3
09103-06266
BOLT(6X40)
1 330 ₽
4
09103-06293
BOLT(6X45)
1 520 ₽
5
09280-26007
КОЛЬЦО УПЛОТНИТЕЛЬНОЕ
561 ₽
6
09103-06188
Болт 6X10
1 410 ₽
7
11115-45G70
Направляющая клапана
1 785 ₽
8
11141-28H00
Прокладка головки цилиндров
2 503 ₽
9
04211-13189
ШТИФТ
129 ₽
10
07120-0625A
БОЛТ
97 ₽
11
11117-28H00
BOLT,CYLINDER HEAD(L:140)
978 ₽
12
11161-45G00
Болт головки цилиндра
590 ₽
14
13101-28H01
Pipe Assy,intake
4 731 ₽
15
01547-0620A
Болт
81 ₽
16
13170-35G01
CLAMP,INTAKE PIPE
867 ₽
17
09689-10116
Vis
Цена по
запросу
18
09103-10229
Болт коленвала
2 820 ₽
19
12749-49H00
C RING,CAMSHAFT
227 ₽
20
12749-49H10
C RING,CAMSHAFT
258 ₽
21
07120-0610B
БОЛТ
97 ₽
22
09168-06023
ПРОКЛАДКА
162 ₽
23
13650-14G00
Датчик температуры воды
2 746 ₽
24
13655-14G00
O RING
339 ₽

Узлы для