312A - ELECTRICAL

312A - ELECTRICAL
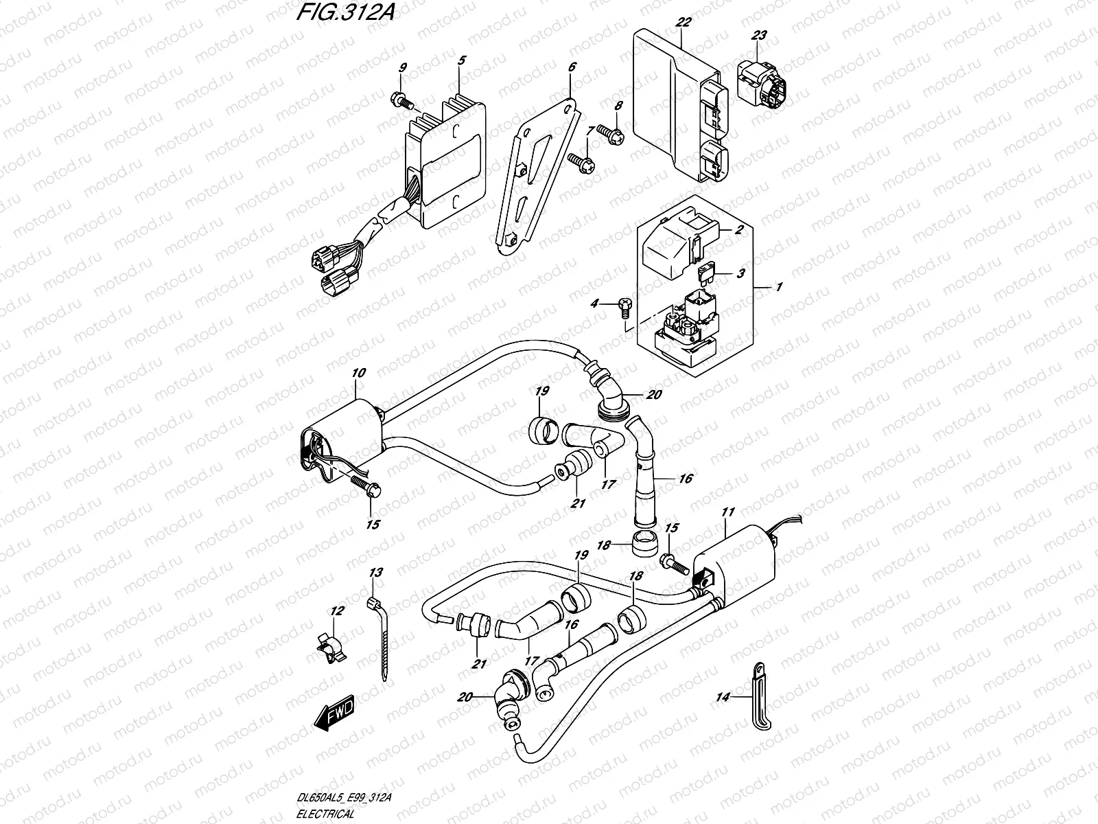
1
31800-06G02
Relay assy,star
Цена по
запросу
2
31861-47E00
Крышка
841 ₽
3
09481-30101
Предохранитель
129 ₽
4
09128-06013
SCREW(6X8)
740 ₽
5
32800-47H00
RECTIFIER ASSY
32 538 ₽
6
32830-11J00
BRACKET,RECT FTG
688 ₽
7
02162-0616B
Болт
85 ₽
8
02162-0610A-000
БОЛТ
85 ₽
9
02162-0616B
Болт
85 ₽
10
33410-27G02
COIL ASSY,IGNITION
8 993 ₽
11
33420-27G01
Coil,ignition
Цена по
запросу
12
09403-10319
CLAMP
187 ₽
13
09407-18402
Струбцина (L:165)
211 ₽
14
09404-06039
Clamp(L:65)
194 ₽
15
01547-0625B
БОЛТ
97 ₽
16
33510-17G00
Крышка свечи зажигания
2 503 ₽
17
33510-20E00
Крышка свечи зажигания
2 244 ₽
18
33541-23E10
SEAL,SPARK PLUG
420 ₽
19
33541-47D00
Уплотнение
452 ₽
20
33542-17G01
Уплотнение
493 ₽
21
33542-38B00
Уплотнение
162 ₽
22
32920-11JA0
Control unit, fi
Цена по
запросу
23
33960-27G00
SENSOR ASSY,FUEL CUT
5 748 ₽

Узлы для