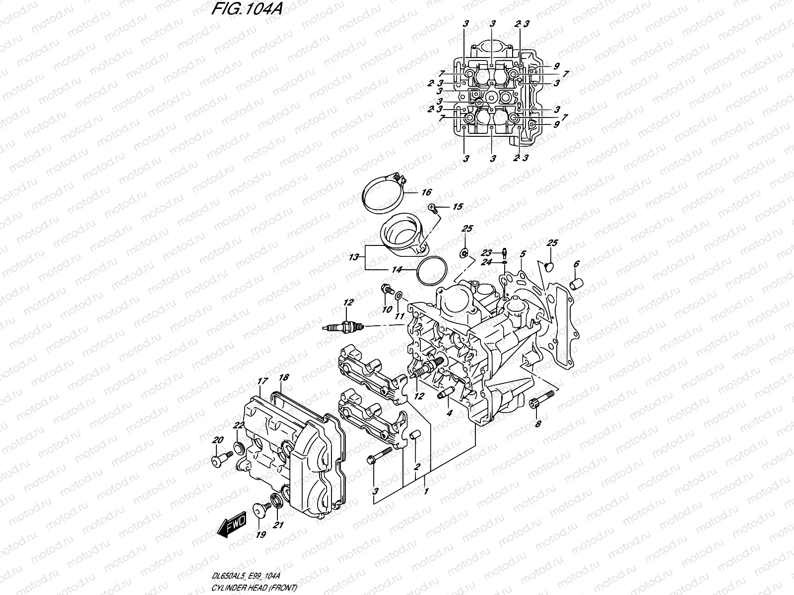
104A - CYLINDER HEAD (FRONT)

104A - CYLINDER HEAD (FRONT)
1
11101-44H01
EAD ASSY,CYLINDER FRONT
74 052 ₽
2
09206-08001
Стопор
170 ₽
3
09103-06266
BOLT(6X40)
1 330 ₽
4
11115-18D72
Направляющая клапана
2 053 ₽
5
11141-20F00
Прокладка головки цилиндров
3 392 ₽
6
04211-13189
ШТИФТ
129 ₽
7
11117-44H00
BOLT,CYLINDER HEAD(L:160)
985 ₽
8
07120-0640B
БОЛТ
114 ₽
9
09103-06103
BOLT(6X70)
162 ₽
10
09103-06222
BOLT(6X12)
119 ₽
11
09168-06023
ПРОКЛАДКА
162 ₽
12
09482-00554
PLUG,SPARK(CR7EIA-9)
3 186 ₽
13
13101-17G10
Pipe d’admission (FRONT)
Цена по
запросу
14
09280-46007
O Ring(D:2.4,id:47X42)
291 ₽
15
02122-0616B
Болт
85 ₽
16
13827-40H00
CLAMP
1 590 ₽
17
11171-19F20
COVER,CYLINDER HEAD FR
10 401 ₽
18
11173-19F01
Прокладка под клапанную крышку
2 992 ₽
19
09106-07021
БОЛТ
275 ₽
20
09106-07010
BOLT(7X31)
437 ₽
21
11191-27E00
Шайба
371 ₽
22
11192-13E00
CUSHION,HEAD COVER BOLT
258 ₽
23
09493-80005
JET(8)
1 131 ₽
24
09280-04004
O RING(D:1.2,ID:4.0)
194 ₽
25
11151-27G01
Cap,engine Mounting Rr Rh
258 ₽

Узлы для