РАМА для UX125 K8 Sixteen (P02) SUZUKI (VIN: VTTCN111)

30 - FRAME
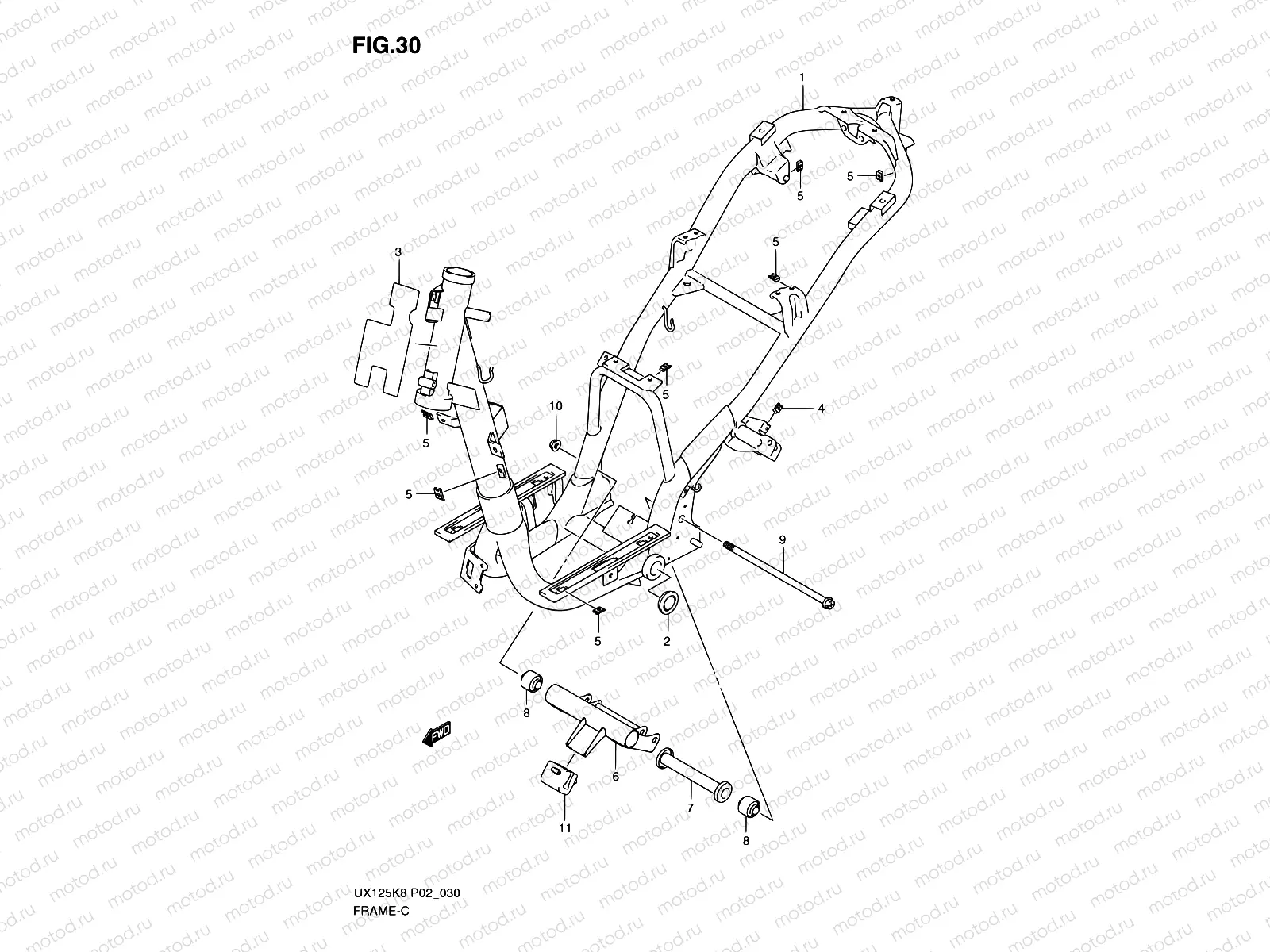
1
41100-20H00-ENM
Frame ux125
Цена по
запросу
2
41749-20H00
Cap,frame bridg
Цена по
запросу
3
41861-20H00
Shield,frame he
Цена по
запросу
4
09689-24603
Винт
83 ₽
5
09689-E0025
NUT (M6)
Цена по
запросу
6
41180-0CE01-ENM
Bracket, crancase
Цена по
запросу
7
41170-20H01
Spacer, bracket
Цена по
запросу
8
09319-12060
Втулка
12 000 ₽
9
41189-20H00
BOLT,CRANKCASE BRACKET
1 372 ₽
10
08319-3112A
Гайка
211 ₽
11
41185-20H00
Cushion,swing s
Цена по
запросу

Узлы для