21 - STARTING MOTOR

21 - STARTING MOTOR
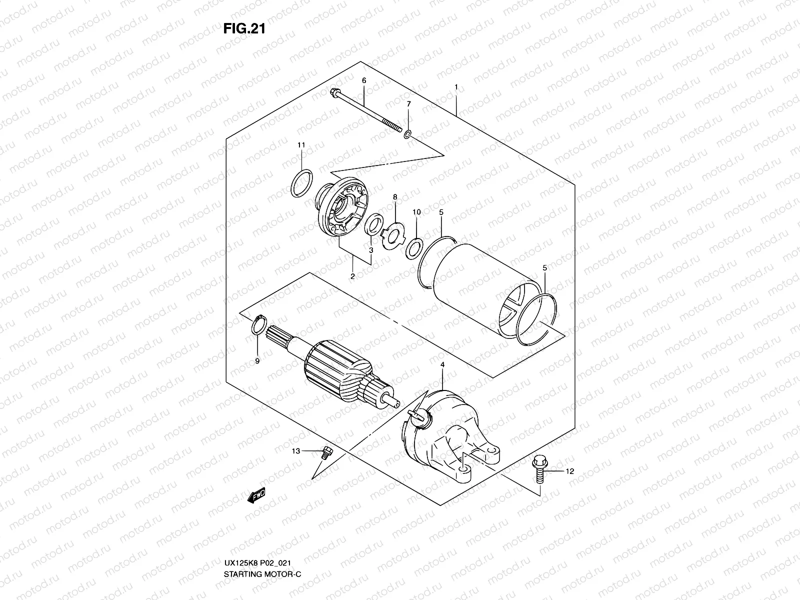
1
31100-03H00
Мотор стартера
52 360 ₽
2
31150-08F00
BRACKET
7 077 ₽
3
31153-49210
Сальник
884 ₽
4
31175-14F00
RAME ASSY,COMMUTATOR END
7 820 ₽
5
31264-32C10
O RING
391 ₽
6
31281-08F00
Болт
391 ₽
7
31156-08F00
O RING
227 ₽
8
31361-32C10
Плата замка
170 ₽
9
31361-10200
Кольцо
172 ₽
10
31361-38300
SHIM
170 ₽
11
09280-24003
КОЛЬЦО УПЛОТНИТЕЛЬНОЕ
179 ₽
12
09103-06223
БОЛТ
1 450 ₽
13
09137-05004
Винт (5X8)
1 170 ₽

Узлы для