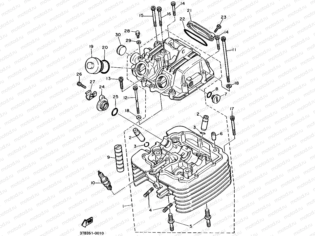
ЦИЛИНДР для XT600E (3UW4) 1993 YAMAHA XT 600 (VIN: 3UW)

ZYLINDER
1
3TB-11101-02
Голова цилиндра
185 656 ₽
1
3TB-11310-00
Цилиндр
98 485 ₽
2
4H7-11133-11
Направляющая клапана
3 847 ₽
2
93210-97524
Прокладка
1 113 ₽
3
93440-12052
Кольцо стопорное
191 ₽
3
583-11127-00
Поглотитель
334 ₽
4
90116-06475
Шпилька
207 ₽
4
1VJ-11351-00
Прокладка цилиндра
2 813 ₽
5
90116-10378
Болт заклепка
1 319 ₽
5
90201-080LB
Rondelle
Цена по
запросу
6
91810-14X00
Втулка
312 ₽
6
90176-08026
Гайка корончатая
120 ₽
7
90340-14068
Пробка
922 ₽
7
90201-08026
Шайба
191 ₽
8
93210-13657
Кольцо уплотнительное
120 ₽
8
90179-10021
Гайка
2 257 ₽
9
583-11127-00
Поглотитель
334 ₽
9
90201-10124
Шайба
175 ₽
10
94701-00241
Свеча зажигания (NGK DPR8EA-9)
697 ₽
10
90179-10279
Гайка
120 ₽
11
91317-06125
Bolt, Socket
938 ₽
11
Цена по
запросу
12
91317-06115
Болт
890 ₽
12
2KF-11181-01
Прокладка головки цилиндров
7 745 ₽
13
91317-06025
Болт
95 ₽
13
99530-12016
Втулка
152 ₽
14
91317-06040
Болт
95 ₽
14
90105-08505
Болт с шайбой
1 049 ₽
15
91317-06055
Болт
152 ₽
15
90201-085L3
Шайба
477 ₽
16
90109-063E9
Болт
413 ₽
16
90430-08178
Прокладка
429 ₽
17
91317-06050
Болт
95 ₽
17
99510-09016
PIN, DOWEL
Цена по
запросу
18
92907-06600
Шайба
95 ₽
19
1L9-11186-00
Заглушка
1 208 ₽
20
93210-32172
Кольцо уплотнительное
175 ₽
21
5Y1-11187-00
Cover, Cylinder Head Side 3
5 401 ₽
22
93210-62446
Кольцо уплотнительное
191 ₽
23
91317-06018
Болт
159 ₽
24
99999-03125
Cap, Tensioner Case
3 144 ₽
25
93210-19522
Кольцо уплотнительное
191 ₽
26
91317-06020
Болт
95 ₽
27
90462-15196
Clamp
722 ₽
28
90109-06418
Болт
175 ₽
29
90430-06014
Прокладка
120 ₽
30
604 ₽

Узлы для