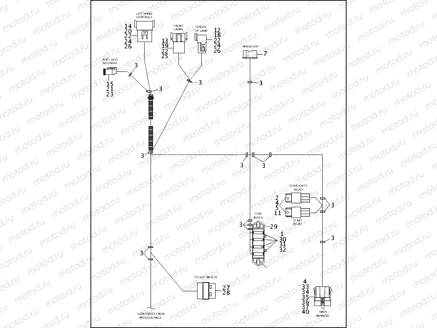
WIRING HARNESS, INTERCONNECT - FLHTP FAIRING MODELS (2 OF 2)

WIRING HARNESS, INTERCONNECT - FLHTP FAIRING MODELS (2 OF 2)
26
72199-94
CONNECTOR ANCHOR,T-STUD
27
72205-94
CONNECTOR, 4 POSITION MALE
28
72208-94
MALE TERMINAL, 12 GA
29
FUSE BLOCK, w/ feet
30
72217-94
TERMINAL, AUTO FUSE 18 GA
31
72218-94
TERMINAL, AUTO FUSE 14-16 GA
32
TERMINAL, auto fuse, 18 gauge
33
CONNECTOR, receptacle, 3-way
34
TERMINAL, female, 14-16 gauge
35
TERMINAL, male, 14-16 gauge
36
WIRE SEAL, 14 gauge
37
SECONDARY LOCK, 3-way
38
CONNECTOR, plug, 1-way
39
72266-94
DUAL WALL SHRINK TUBE, .300 X
40
SEAL, cable

Узлы для