WIRING HARNESS, INTERCONNECT - FLHTP FAIRING MODELS (2 OF 2)

WIRING HARNESS, INTERCONNECT - FLHTP FAIRING MODELS (2 OF 2)
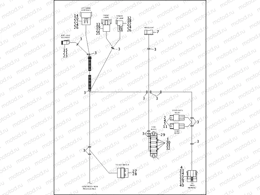
26
72199-94
CONNECTOR ANCHOR,T-STUD
Цена по
запросу
27
72205-94
CONNECTOR, 4 POSITION MALE
Цена по
запросу
28
72208-94
MALE TERMINAL, 12 GA
Цена по
запросу
29
FUSE BLOCK, w/ feet
Цена по
запросу
30
72217-94
TERMINAL, AUTO FUSE 18 GA
Цена по
запросу
31
72218-94
TERMINAL, AUTO FUSE 14-16 GA
Цена по
запросу
32
TERMINAL, auto fuse, 18 gauge
Цена по
запросу
33
CONNECTOR, receptacle, 3-way
Цена по
запросу
34
TERMINAL, female, 14-16 gauge
Цена по
запросу
35
TERMINAL, male, 14-16 gauge
Цена по
запросу
36
WIRE SEAL, 14 gauge
Цена по
запросу
37
SECONDARY LOCK, 3-way
Цена по
запросу
38
CONNECTOR, plug, 1-way
Цена по
запросу
39
72266-94
DUAL WALL SHRINK TUBE, .300 X
Цена по
запросу
40
SEAL, cable
Цена по
запросу

Узлы для